HEATING & AIR CONDITIONING - HEATER UNIT & BLOWER

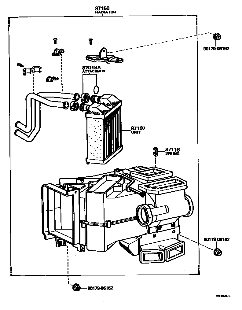
87019AATTACHMENT, HEATER
87116SPRING, HEATER CASE FASTENING
87150RADIATOR ASSY, HEATER
W/AUTOMATIC AIR CONDITIONER
W/AUTOMATIC AIR CONDITIONER
W/AUTOMATIC AIR CONDITIONER
9017906162
main90179-06162
5 parts on this diagram · 5 diagrams in section