E
EPC Data

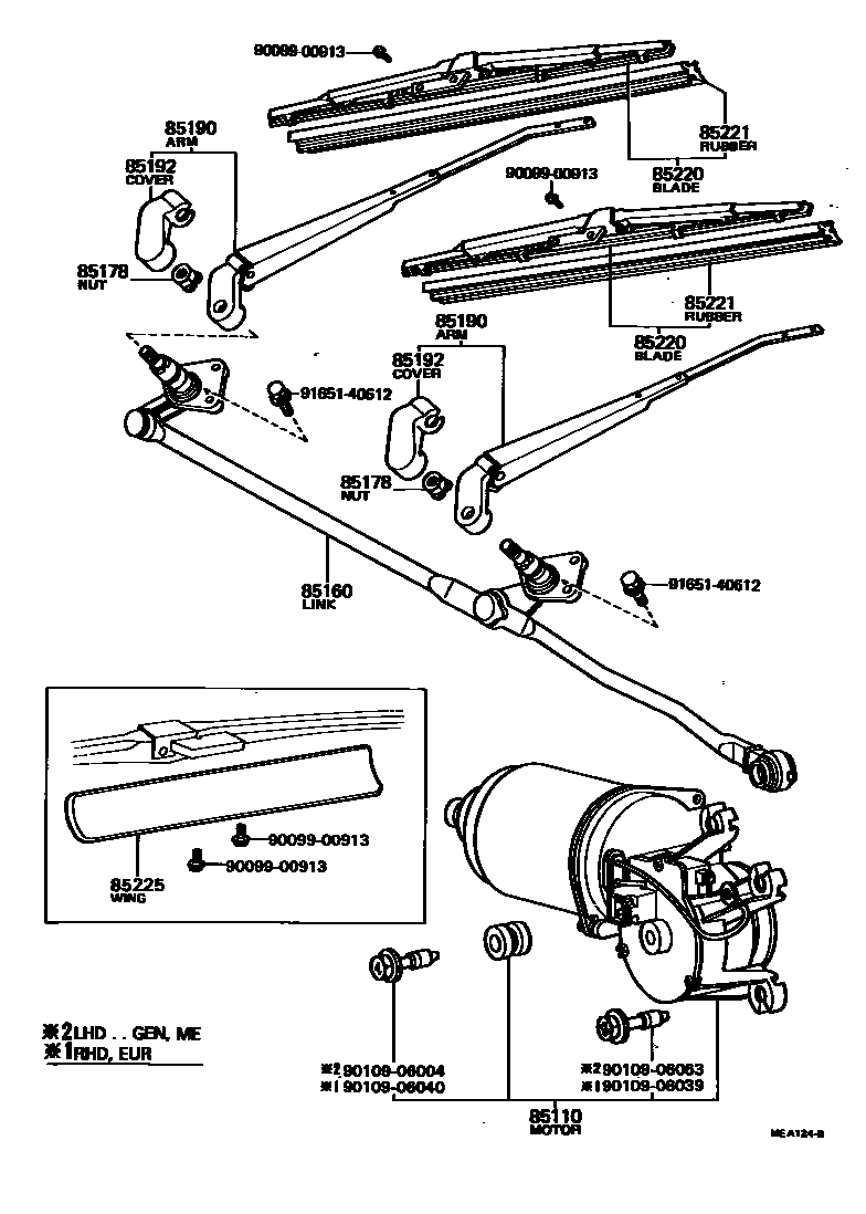
WINDSHIELD WIPER

Parts diagram
85110MOTOR ASSY, WINDSHIELD WIPER
main85110-22150i198009-198208
main85110-22160i198009-198208
main85110-22191i198009-198208
main85110-22220i198208-198407
main85110-22230i198208-198407
main85110-22250i198208-198504
main85110-30150i198009-198101
main85110-30151i198101-198208
85160LINK ASSY, WINDSHIELD WIPER
main85160-22100i198009-198208
main85160-22120i198009-198208
main85160-22150i198208-198504
main85160-22160i198208-198407
main85160-22170i198208-198407
85178NUT (FOR FRONT WIPER ARM SETTING)
main90176-08016i198009-198208
main90176-08029i198208-198504
85190ARM ASSY, WINDSHIELD WIPER
main85190-22290i198009-198208
LH
main85190-22300i198009-198208
RH
main85190-22320i198009-198208
RH
main85190-22330i198009-198208
LH
main85190-22400i198208-198504
RH
main85190-22440i198208-198407
RH
main85190-22450i198208-198407
LH
main85190-22460i198208-198407
LH
main85210-22040i198009-198208
RH
main85210-22060i198009-198208
LH
main85210-22130i198208-198504
LH
main85210-22150i198208-198407
RH
main85210-22160i198208-198407
RH
85192COVER, WINDSHIELD WIPER ARM
main85192-12030i198009-198208
main85192-12040i198009-198208
85220BLADE ASSY, WINDSHIELD WIPER
main85220-16120i198208-198306
RH
main85220-16130i198208-198306
LH
main85220-16140i198208-198306
LH
main85220-16150i198208-198306
RH
main85220-16180i198306-198504
RH
main85220-16190i198306-198307
LH
main85220-16270i198306-198407
LH
main85220-16280i198306-198407
LH
main85220-16290i198306-198401
RH
main85220-16320i198307-198504
LH
main85220-16340i198401-198407
RH
main85220-22110i198009-198208
main85220-22150i198009-198208
main85220-22160i198009-198208
main85220-22280i198208-198306
LH
main85220-22410i198208-198407
RH
main85220-30190i198009-198208
85221BLADE, WINDSHIELD WIPER
main85221-12120i198208-198306
LH
main85221-12190i198208-198306
main85221-20110i198009-198208
main85221-20120i198009-198208
main85221-22050i198109-198208
main85221-22080i198208-198306
RH
main85221-22090i198306-198407
RH
main85221-30100i198306-198407
LH
main85221-30100i198306-198307
main85221-30120i198307-198504
85225WING, WIPER BLADE
main85225-22010i198009-198208
9009900913
9010906004
9010906039
9010906040
9010906063
9165140612

14 parts on this diagram · 3 diagrams in section

WINDSHIELD WIPER — Toyota Parts Diagram with OEM Numbers & Prices | EPC Data