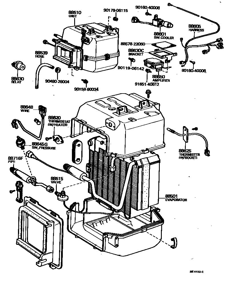
HEATING & AIR CONDITIONING - COOLER UNIT

88501EVAPORATOR SUB-ASSY, COOLER, NO.1
sub88501-22110
sub88501-22120
W/BOOST VENTILATOR
W/BOOST VENTILATOR
88510UNIT ASSY, COOLER
sub88510-22071
sub88510-22160
sub88510-22081
sub88510-22150
W/BOOST VENTILATOR
W/BOOST VENTILATOR
88515VALVE, COOLER EXPANSION
W/BOOST VENTILATOR
88539HOSE, COOLER UNIT DRAIN, NO.1
88605HARNESS SUB-ASSY, COOLER WIRING, NO.1
W/BOOST VENTILATOR
W/BOOST VENTILATOR
W/BOOST VENTILATOR
W/BOOST VENTILATOR
88620THERMOSTAT SUB-ASSY
88625THERMISTOR, COOLER, NO.1
W/BOOST VENTILATOR
88630RELAY ASSY, COOLER
88630CBRACKET, COOLER RELAY
W/BOOST VENTILATOR
88645GSWITCH, PRESSURE
88648WIRING, COOLER, NO.1
W/BOOST VENTILATOR
88650AMPLIFIER ASSY, COOLER STABILIZER
W/BOOST VENTILATOR
W/BOOST VENTILATOR
88716FPIPE, COOLER REFRIGERANT LIQUID, F
W/BOOST VENTILATOR
W/BOOST VENTILATOR
8857822050PAKING, COOLER AIR DUCT
main88578-22050
9011906142
9015960034
9016040008
9017906115
9048026004
9165140612
21 parts on this diagram · 1 diagram in section