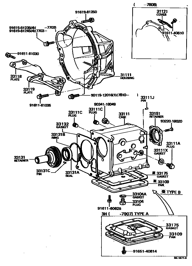
CLUTCH HOUSING & TRANSMISSION CASE (MTM)

31121COVER, CLUTCH HOUSING, NO.1
33104PLUG SUB-ASSY, DRAIN(MTM)
33104AGASKET, DRAIN PLUG(MTM)
33109PAN SUB-ASSY, TRANSMISSION OIL(MTM)
TYPE B
33111APLUG, MANUAL TRANSMISSION CASE
33111CPLUG(FOR TRANSMISSION CASE)
33111JPIN, STRAIGHT(FOR MANUAL TRANSMISSION CASE)
OD=12,L=39
L=14,OD=12
OD=6,L=11
33111XGASKET, TRANSMISSION CASE PLUG
33118PLATE, STIFFENER, RH(MTM)
33131RETAINER, BEARING, FRONT(MTM)
33131ASEAL, OIL(FOR TRANSMISSION FRONT BEARING RETAINER)
33131BRING, O(FOR TRANSMISSION FRONT BEARING RETAINER)
sub90301-99014
33131CPIN, SLOTTED SPRING(FOR TRANSMISSION FRONT BEARING RETAINER)
33132GASKET, FRONT BEARING RETAINER(MTM)
33151RETAINER, OUTPUT SHAFT REAR BEARING(MTM)
33175GASKET, MANUAL TRANSMISSION OIL PAN
TYPE A
TYPE B
9011912016
main90119-12016
9034118049
main90341-18049
9161140610
main91611-40610
9161160825
main91611-60825
9161161030
main91611-61030
9161161035
main91611-61035
9161961235
main91619-61235
9161961245
main91619-61245
9161961250
main91619-61250
9165140814
main91651-40814
9322018020
main93220-18020
30 parts on this diagram · 4 diagrams in section