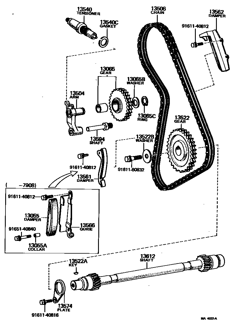
TIMING CHAIN

13055DAMPER SUB-ASSY, CHAIN
13055ACOLLAR(FOR CHAIN DAMPER)
13065GEAR SUB-ASSY, TENSION
13065BWASHER, TIMING CHAIN TENSION GEAR CLAW
13065CRING, SHAFT SNAP(FOR TENSION GEAR)
13504ARM SUB-ASSY, TENSION
13522GEAR, PUMP DRIVE SHAFT
N=36
N=30
13522AKEY, WOODRUFF(FOR PUMP DRIVE SHAFT GEAR)
13522BWASHER, PLATE(FOR PUMP DRIVE SHAFT GEAR)
13540TENSIONER ASSY, CHAIN, NO.1
13540CGASKET(FOR CHAIN TENSIONER)
sub90430-22009
13561DAMPER, CHAIN VIBRATION, NO.1
13562DAMPER, CHAIN VIBRATION, NO.2
13566GUIDE, CHAIN DAMPER
13574PLATE, PUMP DRIVE SHAFT
13594SHAFT, TENSION GEAR ARM
9161140812
main91611-40812
9161140816
main91611-40816
9161160832
main91611-60832
9165140840
main91651-40840
22 parts on this diagram · 3 diagrams in section