E
EPC Data

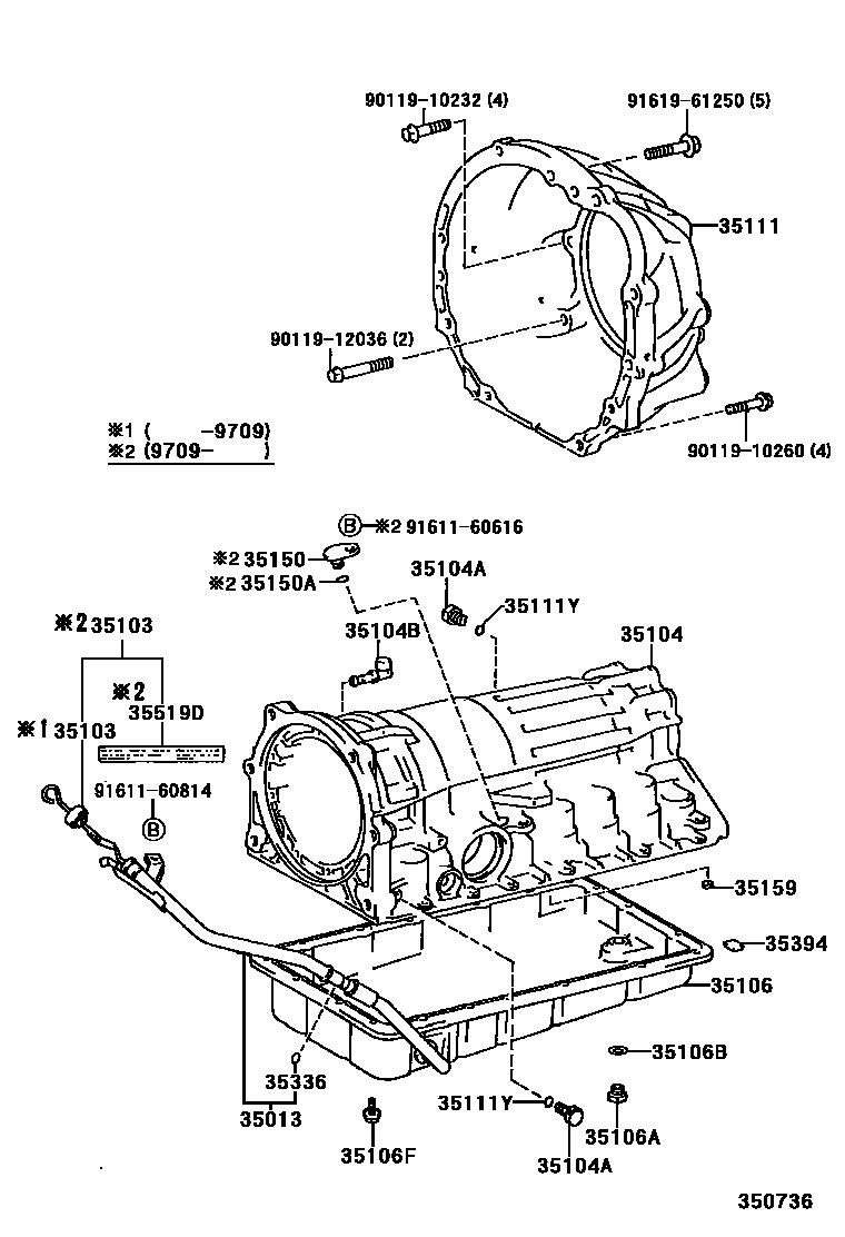
TRANSMISSION CASE & OIL PAN (ATM)

Parts diagram
35013TUBE SUB-ASSY, TRANSMISSION OIL FILLER
main35013-14150i199305-199607
main35013-14160i199607-199808
main35013-24050i199305-199505
main35013-24090i199505-199808
35103GAGE SUB-ASSY, TRANSMISSION OIL LEVEL
main35103-14100i199305-199309
main35103-14101i199309-199607
main35103-14110i199607-199707
main35103-14111i199707-199808
main35103-24040i199305-199505
main35103-24080i199505-199709
main35103-24100i199709-199808
35104CASE SUB-ASSY, AUTOMATIC TRANSMISSION
main35104-30133i199305-199709
main35104-30170i199305-199808
35104APLUG, AUTOMATIC TRANSMISSION CASE
main90341-08001i199305-199808
35104BPLUG, BREATHER, NO.1 (ATM)
main90930-03108i199305-199808
35106PAN SUB-ASSY, AUTOMATIC TRANSMISSION OIL
main35106-24020i199305-199709
main35106-30130i199305-199808
35106APLUG SUB-ASSY, DRAIN (ATM)
main90341-10006i199305-199709
main90341-10012i199305-199808
main90341-10018i199709-199808
35106BGASKET, DRAIN PLUG (ATM)
main35178-30010i199305-199709
main35178-50010i199305-199808
35106FBOLT (FOR AUTOMATIC TRANSMISSION OIL PAN)
main90119-06513i199305-199808
35111HOUSING, AUTOMATIC TRANSMISSION
main35111-22081i199305-199709
main35111-30140i199305-199808
main35111-30150i199709-199808
35111YRING, O (FOR AUTOMATIC TRANSMISSION CASE)
main90301-06196i199305-199808
35150PLUG ASSY, TRANSMISSION CASE
main35150-30010i199305-199808
35150ARING, O (FOR AUTOMATIC TRANSMISSION CASE PLUG)
main90301-09012i199305-199808
35159GASKET, BRAKE DRUM
main35159-30010i199305-199808
35336RING, O (FOR TRANSMISSION OIL FILLER TUBE)
main90301-09173i199305-199808
35394MAGNET, OIL CLEANER (FOR TRANSMISSION)
main35394-30011i199305-199808
35519DLABEL, AUTOMATIC TRANSMISSION INFORMATION
main35519-24020i199309-199707
main35519-30010i199707-199808
9011910232
9011910260
9011912036
9161160616
9161160814
9161961250

23 parts on this diagram · 2 diagrams in section

TRANSMISSION CASE & OIL PAN (ATM) — Toyota Parts Diagram with OEM Numbers & Prices | EPC Data