E
EPC Data

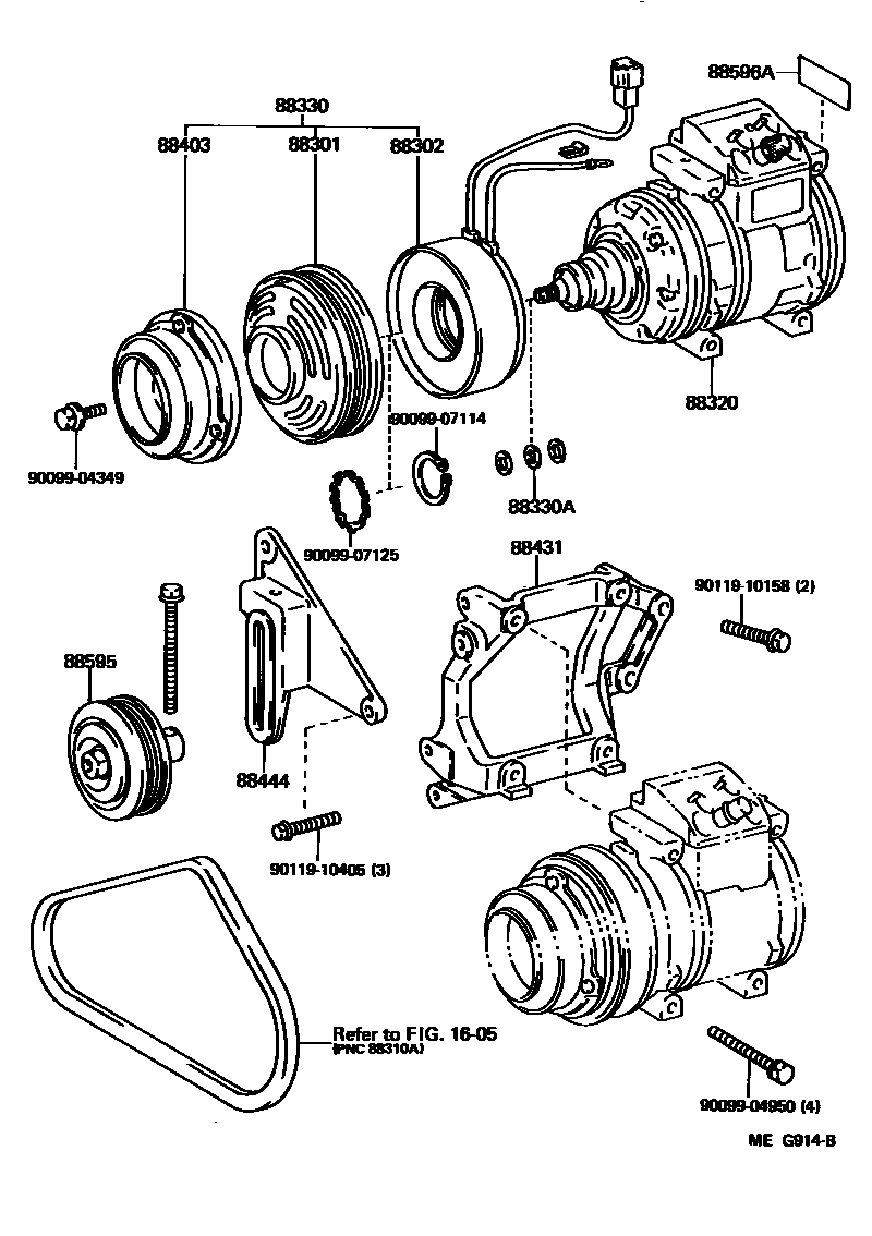
HEATING & AIR CONDITIONING - COMPRESSOR

Parts diagram
1605
88301ROTOR SUB-ASSY, MAGNET CLUTCH
main88412-12160i198706-198808
main88412-14080i198601-198608
main88412-14100i198703-198706
main88412-14110i198608-198703
88302STATOR SUB-ASSY, MAGNET CLUTCH
main88411-14100i198601-198703
main88411-14110i198703-198706
main88411-14111i198706-198808
88320COMPRESSOR ASSY, COOLER
main88320-14520i198601-198608
main88320-14521i198608-198808
88330CLUTCH ASSY, MAGNET
main88410-14180i198601-198608
main88410-14181i198608-198808
88330AWASHER (FOR MAGNET CLUTCH)
main88335-14020i198601-198808
88403HUB SUB-ASSY, MAGNET CLUTCH
main88403-14050i198601-198703
main88403-16010i198703-198708
main88403-16011i198708-198808
88431BRACKET, COMPRESSOR MOUNTING, NO.1
main88431-24070i198601-198808
88444BRACKET, IDLE PULLEY
main88444-24010i198601-198808
88595PULLEY, COOLER COMPRESSOR IDLE
main88440-17010i198601-198808
88596APLATE, CAUTION
main88356-12010i198608-198808
9009904349
9009904950
9009907114
9009907125
9011910158
9011910405

17 parts on this diagram · 2 diagrams in section

HEATING & AIR CONDITIONING - COMPRESSOR — Toyota Parts Diagram with OEM Numbers & Prices | EPC Data