ELECTRONIC CONTROLLED TRANSMISSION

82125BWIRE, TRANSMISSION
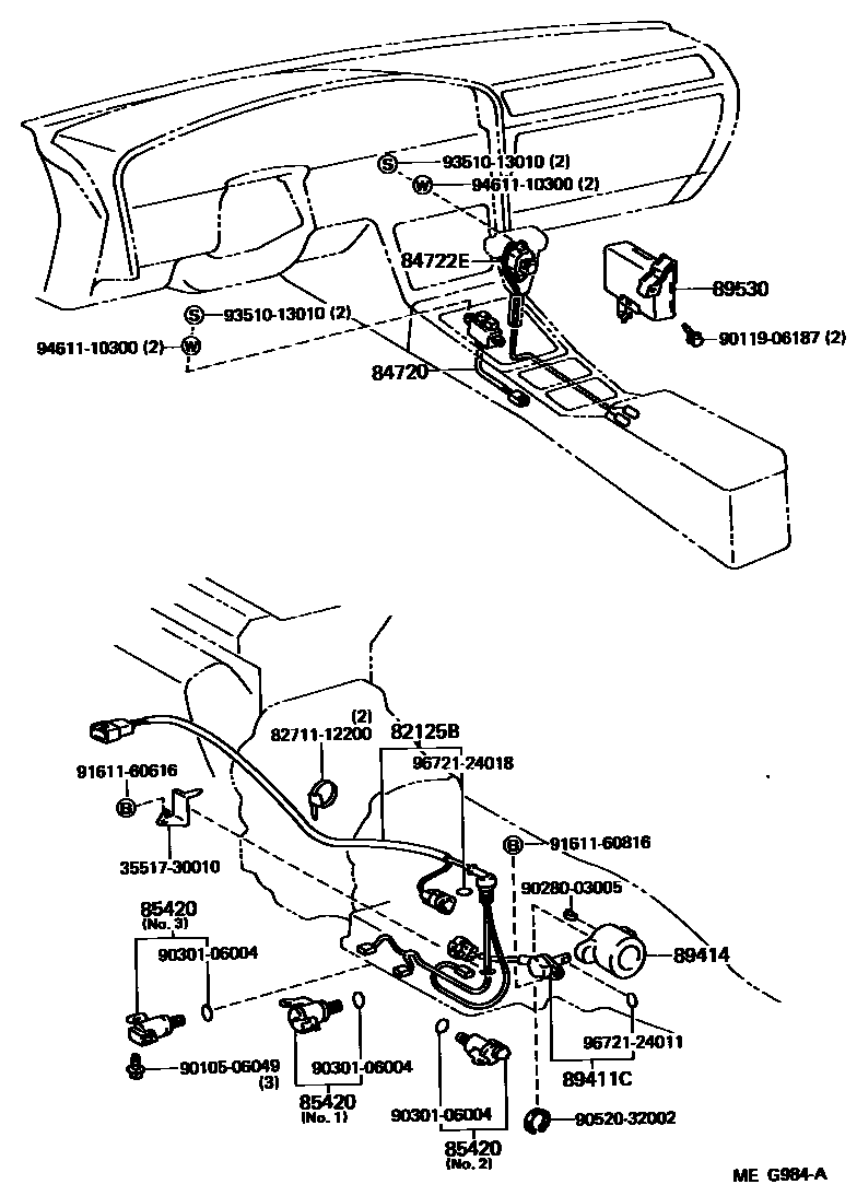
84720SWITCH ASSY, PATTERN SELECT
sub84720-14051
84722ESWITCH, TRANSMISSION CONTROL
85420SOLENOID ASSY, TRANSMISSION
NO.1 OR NO.2,AISIN
NO.1 OR NO.2
NO.3,AISIN
NO.3,DENSO
89411CSENSOR, SPEED
sub89411-30091
89414ROTOR, SENSOR
sub89414-30021
3551730010PLATE, TRANSMISSION WIRE LOCK
main35517-30010
8271112200WIRE, FUSE TO FUSE(FOR COMBUSTION HEATER)
main82711-12200
9010506049
main90105-06049
9011906187
main90119-06187
9028003005
main90280-03005
9030106004
main90301-06004
9052032002
main90520-32002
9161160616
main91611-60616
9161160816
main91611-60816
9351013010
main93510-13010
9461110300
main94611-10300
9672124011
main96721-24011
9672124018
main96721-24018
20 parts on this diagram · 1 diagram in section