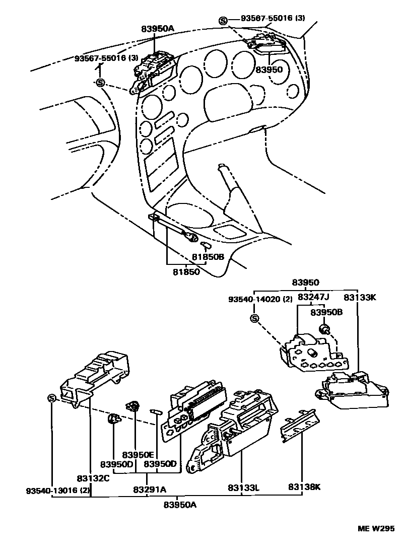
INDICATOR

81850LAMP ASSY, INDICATOR
81850BBULB, INDICATOR LAMP
14V 1.4W
83132CCASE, TELLTALE LAMP
83133KPLATE, TELLTALE LAMP
83133LPLATE SUB-ASSY, TELLTALE LAMP
83138KGLASS, TELLTALE LAMP
83247JCIRCUIT SUB-ASSY, TELLTALE LAMP
83291ACOMPUTER, COMBINATION METER
SPEEDOMETER;MILE/H
SPEEDOMETER;MILE/H
83950LAMP ASSY, TELLTALE
83950ALAMP ASSY, TELLTALE
SPEEDOMETER;MILE/H
SPEEDOMETER;MILE/H
83950BBULB, TELLTALE LAMP
12V 1.4W W(SOCKET)
83950DBULB, TELLTALE LAMP
14V 2.0W,W/O SOCKET
14V 1.12W W(SOCKET)
12V 1.2W W/O SOCKET
83950ESOCKET, TELLTALE LAMP
9354013016
main93540-13016
9354014020
main93540-14020
9356755016
main93567-55016
16 parts on this diagram · 1 diagram in section