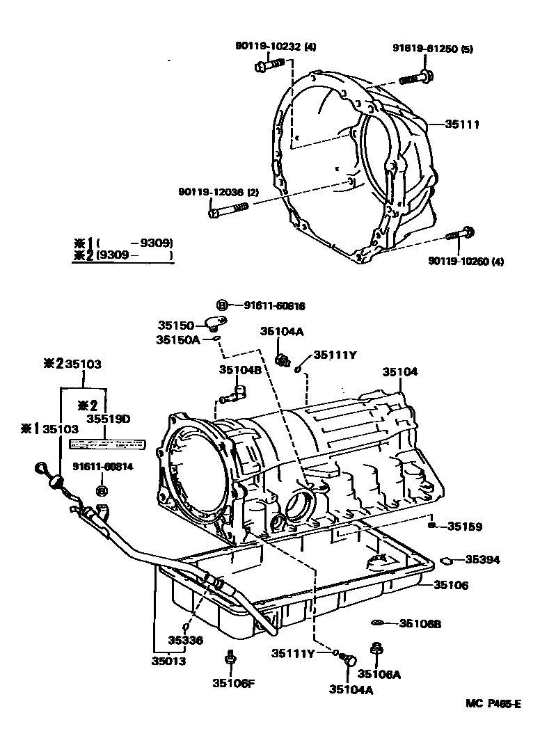
TRANSMISSION CASE & OIL PAN (ATM)

35013TUBE SUB-ASSY, TRANSMISSION OIL FILLER
35104CASE SUB-ASSY, AUTOMATIC TRANSMISSION
35104APLUG, AUTOMATIC TRANSMISSION CASE
35104BPLUG, BREATHER, NO.1 (ATM)
35106PAN SUB-ASSY, AUTOMATIC TRANSMISSION OIL
35106FBOLT (FOR AUTOMATIC TRANSMISSION OIL PAN)
35111HOUSING, AUTOMATIC TRANSMISSION
35111YRING, O (FOR AUTOMATIC TRANSMISSION CASE)
35150PLUG ASSY, TRANSMISSION CASE
35150ARING, O (FOR AUTOMATIC TRANSMISSION CASE PLUG)
35159GASKET, BRAKE DRUM
35336RING, O (FOR TRANSMISSION OIL FILLER TUBE)
35394MAGNET, OIL CLEANER (FOR TRANSMISSION)
35519DLABEL, AUTOMATIC TRANSMISSION INFORMATION
9011910232
main90119-10232
9011910260
main90119-10260
9011912036
main90119-12036
9161160616
main91611-60616
9161160814
main91611-60814
9161961250
main91619-61250
23 parts on this diagram · 2 diagrams in section