HEATING & AIR CONDITIONING - COMPRESSOR

1605
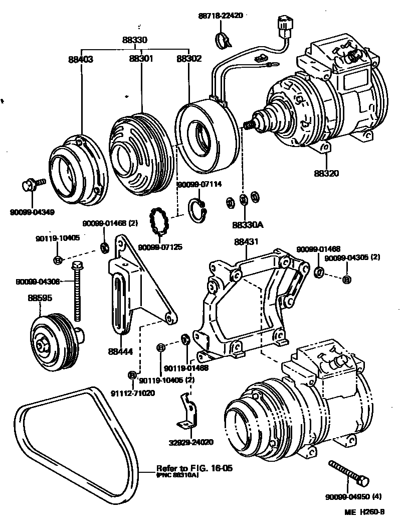
88330AWASHER (FOR MAGNET CLUTCH)
88431BRACKET, COMPRESSOR MOUNTING, NO.1
88444BRACKET, IDLE PULLEY
88595PULLEY, COOLER COMPRESSOR IDLE
3292924020CLAMP, FLEXIBLE HOSE, NO.2
main32929-24020
8871822420PIPE, COOLER REFRIGERANT SUCTION, NO.2
main88718-22420
9009901468
main90099-01468
9009904305
main90099-04305
9009904306
main90099-04306
9009904349
main90099-04349
9009904950
main90099-04950
9009907114
main90099-07114
9009907125
main90099-07125
9011901468
main90119-01468
9011910405
main90119-10405
9111271020
main91112-71020
22 parts on this diagram · 3 diagrams in section