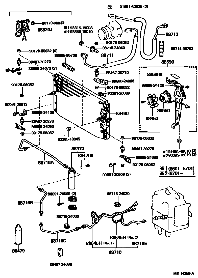
HEATING & AIR CONDITIONING - COOLER PIPING

88453FAN, COOLING (FOR CONDENSER)
88460CONDENSER ASSY, COOLER
88470RECEIVER & DRYER ASSY, COOLER
88470BBOLT, FUSE
88479FREON GAS, AIR CONDITIONER (DRUM, COOLER REFRIGERANT)
88550MOTOR ASSY, BLOWER (FOR CONDENSER)
88590BLOWER ASSY, W/SHROUD
88596BPLATE, CAUTION, NO.1
88630JRELAY ASSY (FOR CONDENSER MOTOR)
DEALER OPTION
88645HSWITCH, PRESSURE NO.1
NO.2
NO.1
NO.1
88710TUBE ASSY, AIR CONDITIONER
88711HOSE, COOLER REFRIGERANT DISCHARGE, NO.1
88716CPIPE, COOLER REFRIGERANT LIQUID, C
8846724030CUSHION, COOLER CONDENSER, NO.1
main88467-24030
8846730270CUSHION, COOLER CONDENSER, NO.1
main88467-30270
8868824060BRACKET, COOLER DIAPHRAGM
main88688-24060
8868824070BRACKET, COOLER DIAPHRAGM
main88688-24070
8868824080BRACKET, COOLER DIAPHRAGM
main88688-24080
8868824090BRACKET, COOLER DIAPHRAGM
main88688-24090
8868824100BRACKET, COOLER DIAPHRAGM
main88688-24100
8868824120BRACKET, COOLER DIAPHRAGM
main88688-24120
8871495703HOSE, COOLER REFRIGERANT LIQUID, NO.1
main88714-95703
8871824030PIPE, COOLER REFRIGERANT SUCTION, NO.2
main88718-24030
8871824040PIPE, COOLER REFRIGERANT SUCTION, NO.2
main88718-24040
8889595708HOLDER, FUSE
main88895-95708
9009120609
main90091-20609
9009120613
main90091-20613
9017906032
main90179-06032
9165140610
main91651-40610
9165160835
main91651-60835
9331515008
main93315-15008
9338515010
main93385-15010
9338516010
main93385-16010
9338518045
main93385-18045
38 parts on this diagram · 4 diagrams in section