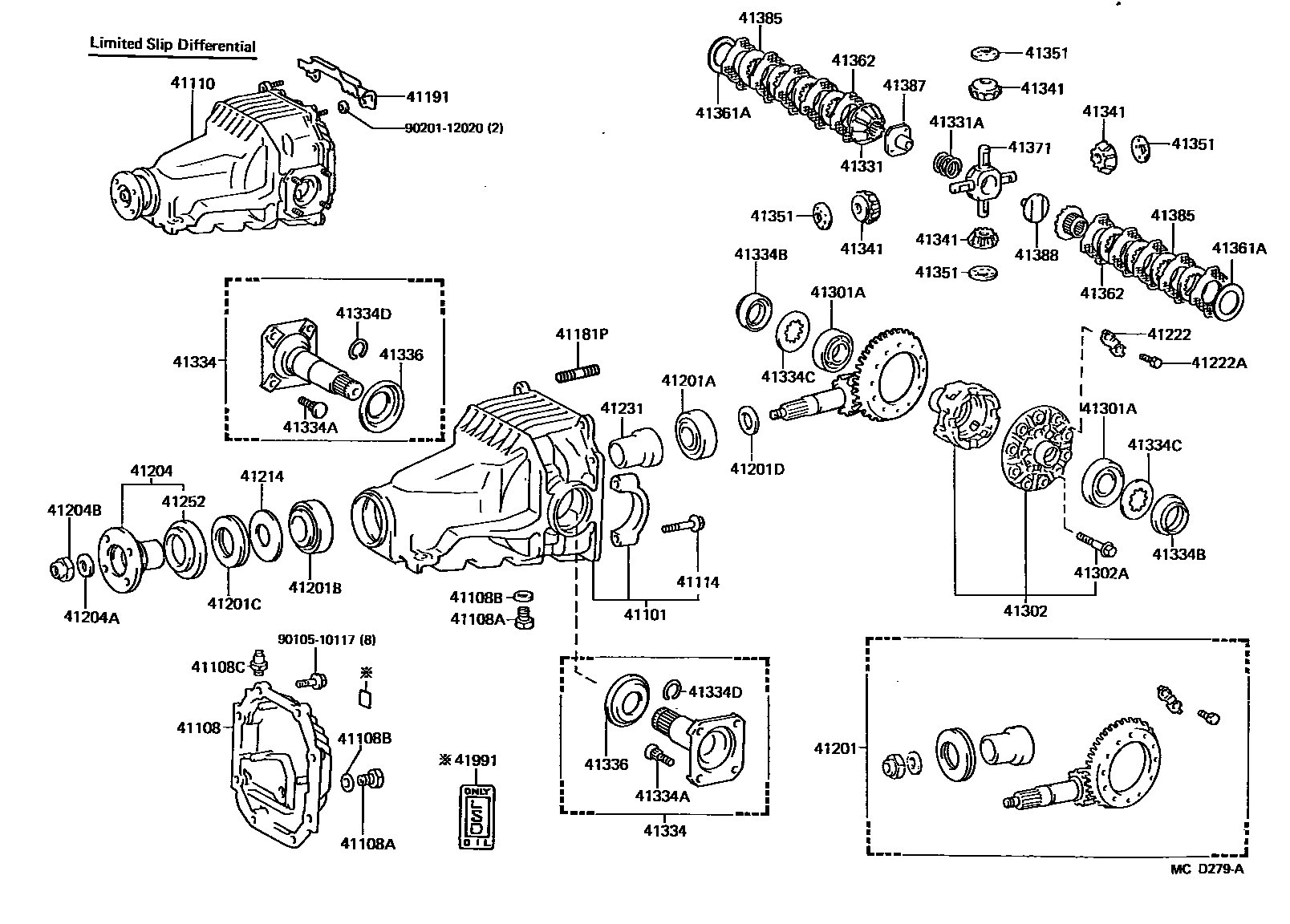
REAR AXLE HOUSING & DIFFERENTIAL

41101CARRIER SUB-ASSY, DIFFERENTIAL, REAR
sub41101-14H00
41108COVER SUB-ASSY, REAR DIFFERENTIAL CARRIER
sub41181-14051
41108APLUG (FOR REAR DIFFERENTIAL CARRIER COVER)
FILLER
DRAIN
DRAIN
41108BGASKET (FOR REAR DIFFERENTIAL CARRIER COVER)
41108CPLUG, BREATHER (FOR REAR DIFFERENTIAL CARRIER COVER)
41110CARRIER ASSY, DIFFERENTIAL, REAR
*FGR=41:11=3.727,*AXC=G305,R=41:11=3.727
*FGR=43:11=3.909,*AXC=G315,R=43:11=3.909
*FGR=41:10=4.100
*FGR=43:10=4.300
41114BOLT, REAR DIFFERENTIAL BEARING CAP
41181PBOLT (FOR REAR DIFFERENTIAL CARRIER COVER SETTING)
41191GUIDE, DIFFERENTIAL AIR
41201FINAL GEAR KIT, DIFFERENTIAL, REAR
*FGR=43:11=3.909,*AXC=G315,R=41:11=3.909
sub41201-19805
*FGR=41:10=4.100
*FGR=41:11=3.727,*AXC=G305,R=41:11=3.727
41201ABEARING (FOR REAR DRIVE PINION REAR)
sub90366-35087
41201BBEARING (FOR REAR DRIVE PINION FRONT)
sub90366-30067
41201CSEAL, OIL (FOR REAR DIFFERENTIAL CARRIER)
41201DWASHER, PLATE (FOR REAR DIFFERENTIAL DRIVE PINION)
OD=47,T=1.70,T=1.70
OD=47,T=1.73,T=1.73
OD=47,T=1.76,T=1.76
OD=47,T=1.79,T=1.79
OD=47,T=1.82,T=1.82
OD=47,T=1.85,T=1.85
OD=47,T=1.88,T=1.88
OD=47,T=1.91,T=1.91
OD=47,T=1.94,T=1.94
OD=47,T=1.97,T=1.97
OD=47,T=2.00,T=2.00
OD=47,T=2.03,T=2.03
OD=47,T=2.06,T=2.06
OD=47,T=2.09,T=2.09
OD=47,T=2.12,T=2.12
OD=47,T=2.15,T=2.15
OD=47,T=2.18,T=2.18
OD=47,T=2.21,T=2.21
OD=47,T=2.24,MARK 01,T=2.24
OD=47,T=2.27,MARK 02,T=2.27
OD=47,T=2.30,MARK 03,T=2.30
OD=47,T=2.33,MARK 04,T=2.33
41204FLANGE SUB-ASSY, REAR DRIVE PINION COMPANION, REAR
41204AWASHER, PLATE (FOR REAR DRIVE PINION)
41204BNUT (FOR REAR DRIVE PINION)
41214SLINGER, REAR DIFFERENTIAL DRIVE PINION OIL
41222PLATE, REAR DIFFERENTIAL RING GEAR SET BOLT LOCK
41222ABOLT (FOR REAR DIFFERENTIAL RING GEAR SET)
41231SPACER, REAR DIFFERENTIAL DRIVE PINION BEARING
41252DEFLECTOR, DUST (FOR REAR DIFFERENTIAL)
sub41252-35020
41301ABEARING(FOR REAR DIFFERENTIAL CASE)
41302CASE SUB-ASSY, REAR DIFFERENTIAL
41302ABOLT(FOR REAR DIFFERENTIAL CASE)
sub90105-10570
41331GEAR, REAR DIFFERENTIAL SIDE
41331ASPRING, COMPRESSION
41334SHAFT, REAR DIFFERENTIAL SIDE GEAR
41334ABOLT, SERRATION (FOR REAR DIFFERENTIAL SIDE GEAR SHAFT)
41334BSEAL, OIL (FOR REAR DIFFERENTIAL SIDE GEAR SHAFT)
sub90311-43009
41334CWASHER, PLATE (FOR REAR DIFFERENTIAL SIDE GEAR SHAFT)
T=2.58,MARK 01,T=2.58
T=2.61,MARK 02,T=2.61
T=2.64,MARK 03,T=2.64
T=2.67,MARK 04,T=2.67
T=2.70,MARK 05,T=2.70
T=2.73,MARK 06,T=2.73
T=2.76,MARK 07,T=2.76
T=2.79,MARK 08,T=2.79
T=2.82,MARK 09,T=2.82
T=2.85,MARK 10,T=2.85
T=2.88,MARK 11,T=2.88
T=2.91,MARK 12,T=2.91
T=2.94,MARK 13,T=2.94
T=2.97,MARK 14,T=2.97
T=3.00,MARK 15,T=3.00
T=3.03,MARK 16,T=3.03
T=3.06,MARK 17,T=3.06
T=3.09,MARK 18,T=3.09
T=3.12,MARK 19,T=3.12
T=3.15,MARK 20,T=3.15
T=3.18,MARK 21,T=3.18
T=3.21,MARK 22,T=3.21
T=3.24,MARK 23,T=3.24
T=3.27,MARK 24,T=3.27
T=3.30,MARK 25,T=3.30
T=3.33,MARK 26,T=3.33
T=3.36,MARK 27,T=3.36
T=3.39,MARK 28,T=3.39
T=3.42,MARK 29,T=3.42
T=3.45,MARK 30,T=3.45
T=3.48,MARK 31,T=3.48
41334DRING, SHAFT SNAP (FOR REAR DIFFERENTIAL SIDE GEAR SHAFT)
T=2.8
41336COVER, DUST(FOR REAR DIFFERENTIAL SIDE GEAR SHAFT)
41341PINION, REAR DIFFERENTIAL
sub41341-14041
41351WASHER, REAR DIFFERENTIAL PINION THRUST
41361ASHIM(FOR REAR DIFFERENTIAL SIDE GEAR THRUST)
T=0.15,T=0.15
T=0.20,T=0.2
T=0.25,T=0.25
T=0.30,T=0.3
T=0.35,T=0.35
41362WASHER, REAR DIFFERENTIAL SIDE GEAR THRUST, NO.2
T=1.8
41371SPIDER, REAR DIFFERENTIAL
41387RETAINER, SPRING, RH
41388RETAINER, SPRING, LH
41991CAUTION PLATE, REAR DIFFERENTIAL
9010510117
main90105-10117
9020112020
main90201-12020
44 parts on this diagram · 1 diagram in section