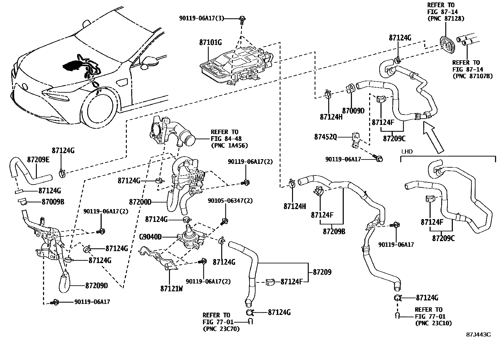
HEATING & AIR CONDITIONING - WATER PIPING

7701
8448
87009BHOSE SET, WATER
87009DHOSE SET, WATER, NO.2
87121WBRACKET, WATER PUMP
87124FCLAMP, HEATER HOSE, NO.1
87124GCLAMP, HEATER HOSE, NO.2
87124HCLAMP, HEATER HOSE, NO.3
8714
87200DACCESSORY ASSY, HEATER
87209HOSE SUB-ASSY, WATER
87209BHOSE SUB-ASSY, WATER, B
87209CHOSE SUB-ASSY, WATER, C
87209DHOSE SUB-ASSY, WATER, D
87209EHOSE SUB-ASSY, WATER, E
87452QBRACKET, HEATER, NO.1
G9040DPUMP ASSY, WATER W/MOTOR
9010506347
main90105-06347
9011906A17
main90119-06A17
20 parts on this diagram · 1 diagram in section