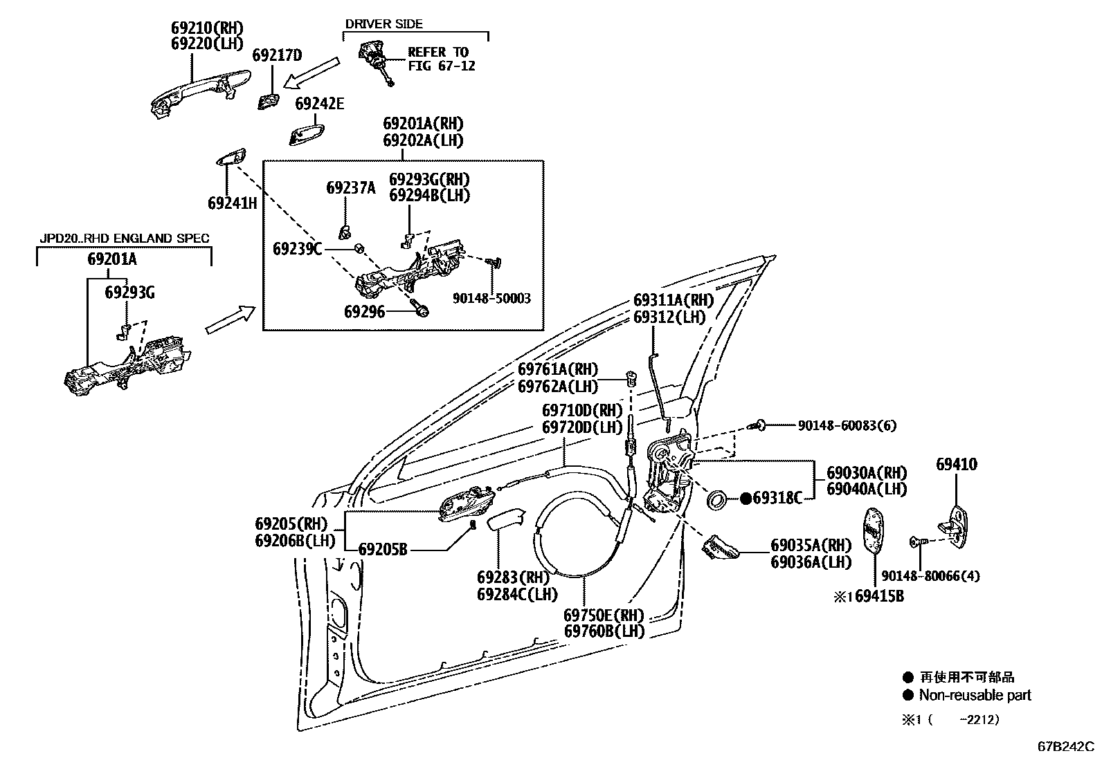
FRONT DOOR LOCK & HANDLE

6712
69030ALOCK ASSY, FRONT DOOR W/MOTOR, RH
UNITED KINGDOM SPEC
U.A.E. SPEC
69035ACOVER SUB-ASSY, FRONT DOOR LOCK, RH
69036ACOVER SUB-ASSY, FRONT DOOR LOCK, LH
69040ALOCK ASSY, FRONT DOOR W/MOTOR, LH
NEW ZEALAND SPEC
UNITED KINGDOM SPEC
69201AFRAME SUB-ASSY, FRONT DOOR OUTSIDE HANDLE, RH
UNITED KINGDOM SPEC
69202AFRAME SUB-ASSY, FRONT DOOR OUTSIDE HANDLE, LH
69205HANDLE SUB-ASSY, FRONT DOOR INSIDE, RH
69205BCUSHION(FOR FRONT DOOR INSIDE HANDLE)
69206BHANDLE SUB-ASSY, FRONT DOOR INSIDE, LH
69210HANDLE ASSY, FRONT DOOR, OUTSIDE RH
PRECIOUS WHITE PEARL,090
PRECIOUS SILVER,1J6
PRECIOUS BLACK,219
EMOTIONAL RED 2,3U5
DK.BLUE MC.,8S6
FORCE BLUE MULTIPLE LAYER,8Y7
PRECIOUS METAL,1L5
UNITED KINGDOM SPEC&DIGITAL KEY-WITH,PRECIOUS WHITE PEARL,090
DIGITAL KEY-WITH,PRECIOUS METAL,1L5
UNITED KINGDOM SPEC&DIGITAL KEY-WITH,PRECIOUS SILVER,1J6
UNITED KINGDOM SPEC&DIGITAL KEY-WITH,PRECIOUS BLACK,219
DIGITAL KEY-WITH,EMOTIONAL RED 2,3U5
DIGITAL KEY-WITH,DK.BLUE MC.,8S6
DIGITAL KEY-WITH,FORCE BLUE MULTIPLE LAYER,8Y7
DIGITAL KEY-WITH,PRECIOUS WHITE PEARL,090
DIGITAL KEY-WITH,PRECIOUS METAL,1L5
DIGITAL KEY-WITH,PRECIOUS SILVER,1J6
DIGITAL KEY-WITH,PRECIOUS BLACK,219
DIGITAL KEY-WITH,EMOTIONAL RED 2,3U5
DIGITAL KEY-WITH,DK.BLUE MC.,8S6
DIGITAL KEY-WITH,FORCE BLUE MULTIPLE LAYER,8Y7
69217DCOVER, FRONT DOOR OUTSIDE HANDLE
PASSENGER SIDE
69220HANDLE ASSY, FRONT DOOR OUTSIDE, LH
PRECIOUS WHITE PEARL,090
PRECIOUS SILVER,1J6
PRECIOUS BLACK,219
EMOTIONAL RED 2,3U5
DK.BLUE MC.,8S6
FORCE BLUE MULTIPLE LAYER,8Y7
PRECIOUS METAL,1L5
DIGITAL KEY-WITH,PRECIOUS WHITE PEARL,090
DIGITAL KEY-WITH,PRECIOUS METAL,1L5
DIGITAL KEY-WITH,PRECIOUS SILVER,1J6
DIGITAL KEY-WITH,PRECIOUS BLACK,219
DIGITAL KEY-WITH,EMOTIONAL RED 2,3U5
DIGITAL KEY-WITH,DK.BLUE MC.,8S6
DIGITAL KEY-WITH,FORCE BLUE MULTIPLE LAYER,8Y7
UNITED KINGDOM SPEC&DIGITAL KEY-WITH,PRECIOUS WHITE PEARL,090
DIGITAL KEY-WITH,PRECIOUS METAL,1L5
UNITED KINGDOM SPEC&DIGITAL KEY-WITH,PRECIOUS SILVER,1J6
UNITED KINGDOM SPEC&DIGITAL KEY-WITH,PRECIOUS BLACK,219
UNITED KINGDOM SPEC&DIGITAL KEY-WITH,EMOTIONAL RED 2,3U5
DIGITAL KEY-WITH,DK.BLUE MC.,8S6
DIGITAL KEY-WITH,FORCE BLUE MULTIPLE LAYER,8Y7
69237ANUT, FRONT DOOR HANDLE
sub69237-0E010
69239CBUSH, FRONT DOOR HANDLE
69241HPAD, FRONT DOOR OUTSIDE HANDLE, FRONT
69242EPAD, FRONT DOOR OUTSIDE HANDLE, REAR
69283PLUG, FRONT DOOR INSIDE HANDLE BEZEL, RH
BLACK,TRIM0#,2#
BLACK,TRIM2#
69284CPLUG, FRONT DOOR INSIDE HANDLE BEZEL, LH
BLACK,TRIM0#,2#
BLACK,TRIM2#
69293GSNAP, FRONT DOOR OUTSIDE HANDLE, RH
69294BSNAP, FRONT DOOR OUTSIDE HANDLE, LH
69296SCREW, DOOR INSIDE HANDLE
UNITED KINGDOM SPEC
69311AROD, FRONT DOOR LOCK OPEN, RH
69312ROD, FRONT DOOR LOCK OPEN, LH
69318CSEAL, DOOR LOCK WIRING HARNESS
69410PLATE ASSY, FRONT DOOR LOCK STRIKER
69415BCOVER, DOOR LOCK STRIKER, FRONT
69710DCABLE, FRONT DOOR LOCK REMOTE CONTROL, RH(FOR OPEN LEVER)
69720DCABLE, FRONT DOOR LOCK REMOTE CONTROL, LH(FOR OPEN LEVER)
69750ECABLE, FRONT DOOR INSIDE LOCKING, RH(FOR LOCK / UNLOCK KNOB)
69760BCABLE, FRONT DOOR INSIDE LOCKING, LH(FOR LOCK / UNLOCK KNOB)
69761ABEZEL, DOOR LOCK CONTROL KNOB, RH
BLACK,TRIM2#
69762ABEZEL, DOOR LOCK CONTROL KNOB, LH
BLACK,TRIM2#
9014850003
main90148-50003
9014860083
main90148-60083
9014880066
main90148-80066
36 parts on this diagram · 1 diagram in section