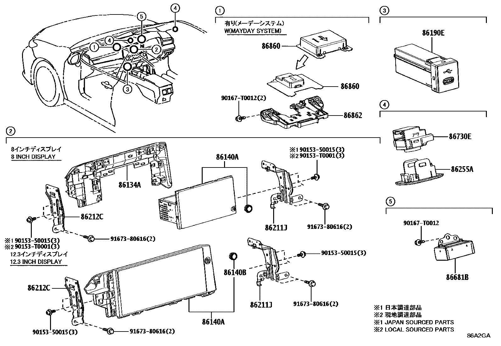
NAVIGATION & FRONT MONITOR DISPLAY

86134APARTS, MULTI-DISPLAY
86140ARECEIVER ASSY, RADIO & DISPLAY
PANASONIC
PANASONIC,AUDIO-12.3INCH 6SPEAKER
PANASONIC
PANASONIC
DENSO TEN
DENSO TEN
86140BKNOB, RADIO & DISPLAY RECEIVER SWITCH
86190EADAPTER ASSY, STEREO JACK
86211JBRACKET, RADIO RECEIVER, NO.1
86212CBRACKET, RADIO RECEIVER, NO.2
86255ACASE, MICROPHONE, NO.1
BLACK,TRIM2#,4#,(L)
BLACK,TRIM2#,4#,(J)
86681BDIVIDER, ANTENNA
86860ANTENNA ASSY, NAVIGATION
86862BRACKET, NAVIGATION ANTENNA
9015350015
main90153-50015
90153T0001
main90153-T0001
90167T0012
main90167-T0012
9167380616
main91673-80616
15 parts on this diagram · 2 diagrams in section