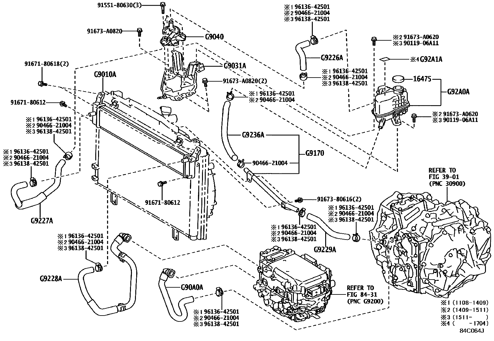
INVERTER COOLING

16475CAP, RESERVE TANK
3901
8431
G9010ARADIATOR ASSY
G9031ABRACKET SUB-ASSY, HV WATER PUMP
G9040INVERTER WATER PUMP ASSY(W/MOTOR)
G90A0AHOSE ASSY, INVERTER COOLING, NO.1
G9170PIPE ASSY, INVERTER COOLING NO.1
G9226AHOSE, INVERTER COOLING, NO.2
G9227AHOSE, INVERTER COOLING, NO.3
G9228AHOSE, INVERTER COOLING, NO.4
G9229AHOSE, INVERTER COOLING, NO.5
G9236AHOSE, INVERTER COOLING, NO.6
G92A1ALABEL, HYBRID COOLANT SYSTEM INFORMATION
9011906A11
main90119-06A11
9046621004
main90466-21004
9155180630
main91551-80630
9167180612
main91671-80612
9167180618
main91671-80618
9167380616
main91673-80616
91673A0620
main91673-A0620
91673A0820
main91673-A0820
9613642501
main96136-42501
9613842501
main96138-42501
25 parts on this diagram · 1 diagram in section