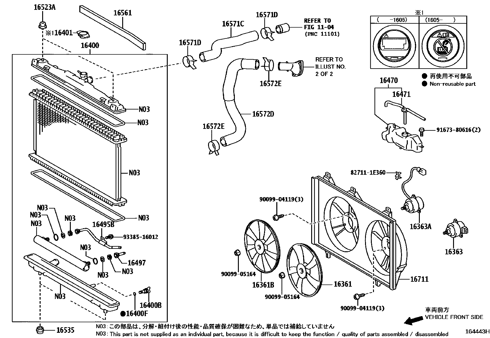
RADIATOR & WATER OUTLET

1104
16361FAN
16361BFAN, NO.2
16363MOTOR, COOLING FAN
16400RADIATOR ASSY
16400BPLUG, RADIATOR DRAIN COCK
16400FPACKING(FOR RADIATOR DRAIN COCK)
16401CAP SUB-ASSY, RADIATOR
16470TANK ASSY, RADIATOR RESERVE
16471CAP SUB-ASSY, RESERVE TANK
16495BPIPE (FOR ATM OIL COOLER)
16497INLET SUB-ASSY
16523ACUSHION, RADIATOR SUPPORT
16535SUPPORT, RADIATOR, LOWER
16561SEAL, RADIATOR TO SUPPORT, NO.1
16571CHOSE, RADIATOR, NO.1
16571DCLIP, RADIATOR HOSE, NO.1
16572DHOSE, RADIATOR, NO.2
16572ECLIP, RADIATOR HOSE, NO.2
16711SHROUD, FAN
827111E360WIRE, FUSE TO FUSE(FOR COMBUSTION HEATER)
main82711-1E360
9009904119
main90099-04119
9009905164
main90099-05164
9167380616
main91673-80616
9338516012
main93385-16012
26 parts on this diagram · 11 diagrams in section