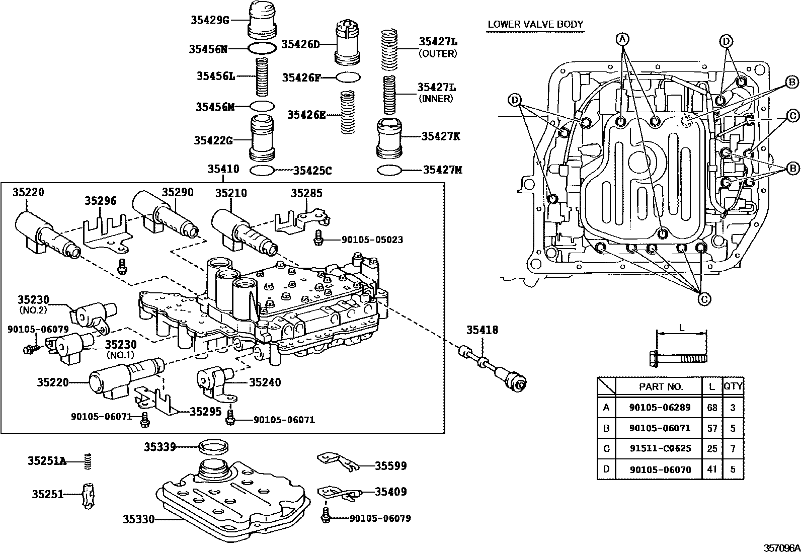
VALVE BODY & OIL STRAINER (ATM)

35210SOLENOID ASSY, CLUTCH CONTROL, NO.1
35220SOLENOID ASSY, CLUTCH CONTROL, NO.2
35230SOLENOID ASSY, TRANSMISSION 3WAY, NO.2
NO.1
NO.2
35251BODY, CHECK BALL
35251ASPRING, COMPRESSION (FOR CHECK BALL BODY)
35285PLATE, SOLENOID LOCK
35295PLATE, SOLENOID LOCK, NO.2
35296PLATE, SOLENOID LOCK, NO.3
35339GASKET, OIL STRAINER
35409SPRING SUB-ASSY, MANUAL DETENT
35422GPISTON, REVERSE CLUTCH ACCUMULATOR
35425CRING, O (FOR C-2 ACCUMULATOR PISTON)
35426DPISTON, C-3 ACCUMULATOR
35426ESPRING, COMPRESSION (FOR C-3 ACCUMULATOR PISTON)
35426FRING, O (FOR C-3 ACCUMULATOR PISTON)
35427KPISTON, B-3 ACCUMULATOR
35427LSPRING, COMPRESSION (FOR B-3 ACCUMULATOR PISTON)
INNER
OUTER
35427MRING, O (FOR B-3 ACCUMULATOR PISTON)
35429GSLEEVE, REVERSE CLUTCH ACCUMULATOR
35456LSPRING, COMPRESSION (FOR C-2 CONTROL VALVE)
35456MRING, O (FOR C-2 CONTROL)
35456NRING, O (FOR C-2 CONTROL)
35599COVER, MANUAL DETENT SPRING
9010505023
main90105-05023
9010506070
main90105-06070
9010506071
main90105-06071
9010506079
main90105-06079
9010506289
main90105-06289
91511C0625
main91511-C0625
34 parts on this diagram · 4 diagrams in section