OVERDRIVE & ELECTRONIC CONTROLLED TRANSMISSION

82125BWIRE, TRANSMISSION
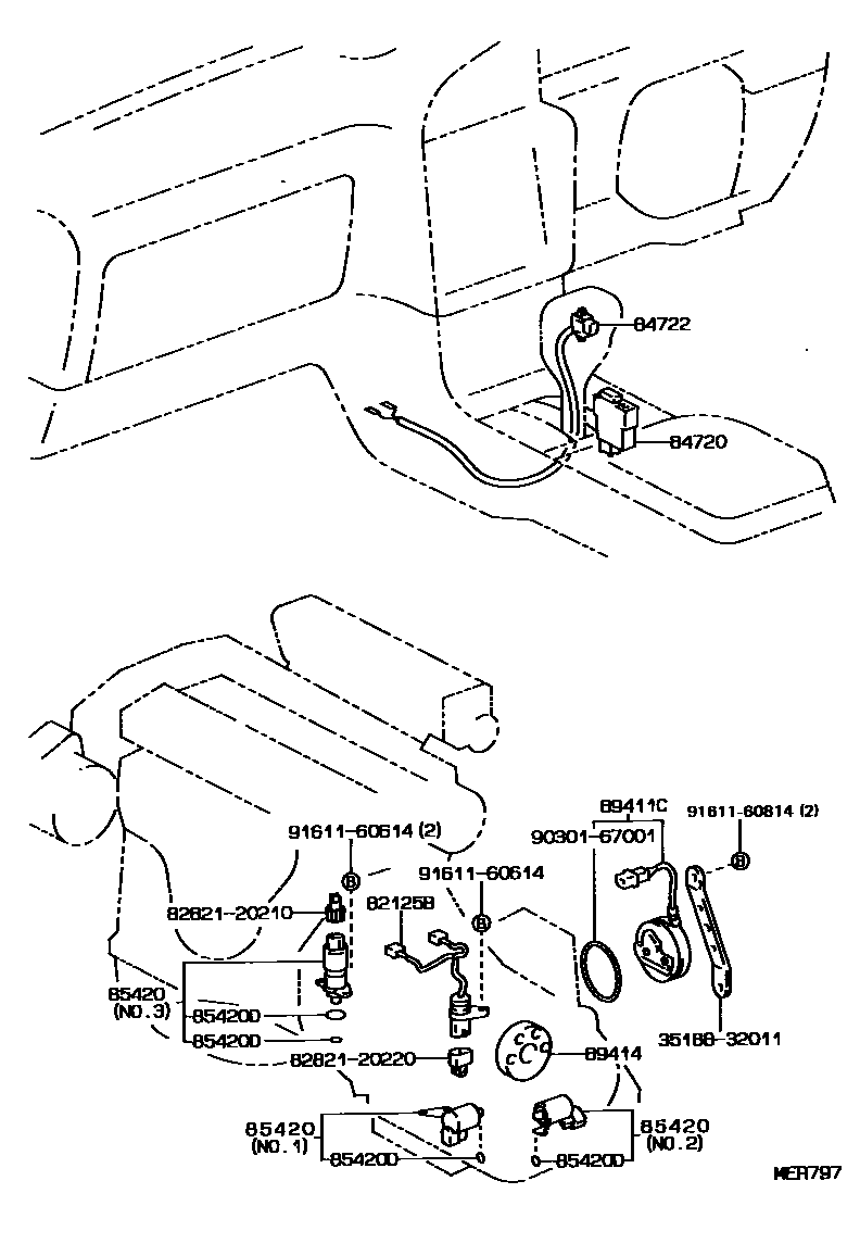
84720SWITCH ASSY, PATTERN SELECT
MATSUSHITA
TRW
85420SOLENOID ASSY, TRANSMISSION
NO.3
NO.1
NO.1
85420DRING, O (FOR TRANSMISSION SOLENOID)
NO.1 & NO.2
NO.3,ID=7
NO.3 ID=9
NO.3,ID=17
NO.3 ID=18
89411CSENSOR, SPEED
89414ROTOR, SENSOR
3518832011
main35188-32011
8282120210RETAINER, HEADLAMP HARNESS
main82821-20210
8282120220RETAINER, HEADLAMP HARNESS
main82821-20220
9030167001
main90301-67001
9161160614
main91611-60614
9161160814
main91611-60814
13 parts on this diagram · 4 diagrams in section