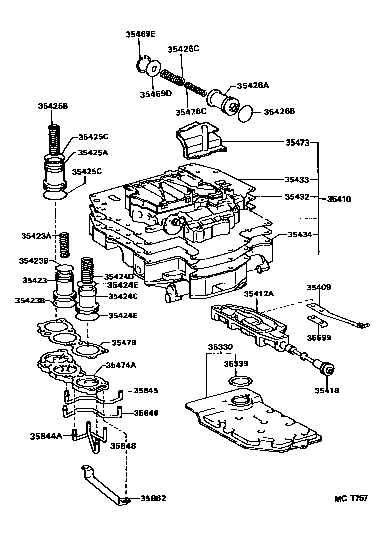
VALVE BODY & OIL STRAINER (ATM)

35339GASKET, OIL STRAINER
35409SPRING SUB-ASSY, MANUAL DETENT
35412ABODY, MANUAL VALVE
35418VALVE, MANUAL
35423PISTON, B-2 ACCUMULATOR
35423ASPRING, COMPRESSION (FOR B-2 ACCUMULATOR PISTON)
35423BRING, O (FOR B-2 ACCUMULATOR PISTON)
UPR
UPR
LWR
LWR
35424CPISTON, C-1 ACCUMULATOR
35424DSPRING, COMPRESSION (FOR C-1 ACCUMULATOR PISTON)
35424ERING, O (FOR C-1 ACCUMULATOR PISTON)
UPR
LWR
UPR
LWR
35425APISTON, C-2 ACCUMULATOR
35425BSPRING, COMPRESSION (FOR C-2 ACCUMULATOR PISTON)
35425CRING, O (FOR C-2 ACCUMULATOR PISTON)
UPR
UPR
LWR
LWR
35426APISTON, C-0 ACCUMULATOR
35426BRING, O (FOR C-0 ACCUMULATOR PISTON)
35426CSPRING, COMPRESSION (FOR C-0 ACCUMULATOR PISTON)
OUTER
INNER
INNER
OUTER
OUTER
INNER
35433GASKET, VALVE BODY, NO.1
35434GASKET, VALVE BODY, NO.2
35469DSPACER (FOR C-0 ACCUMULATOR PISTON)
35469ERING, SNAP (FOR C-0 ACCUMULATOR PISTON SPACER)
35473COVER, TRANSMISSION VALVE BODY
35474ACOVER, ACCUMULATOR
35478GASKET, ACCUMULATOR COVER
35599COVER, MANUAL DETENT SPRING
35844ATUBE, ACCUMULATOR BACK PRESSURE, NO.1
35845TUBE, RR CLUTCH ACCUMULATOR
35846TUBE, BRAKE ACCUMULATOR
35848TUBE, FORWARD CLUTCH ACCUMULATOR
35862BRACKET, ACCUMULATOR APPLY TUBE
32 parts on this diagram · 9 diagrams in section