E
EPC Data

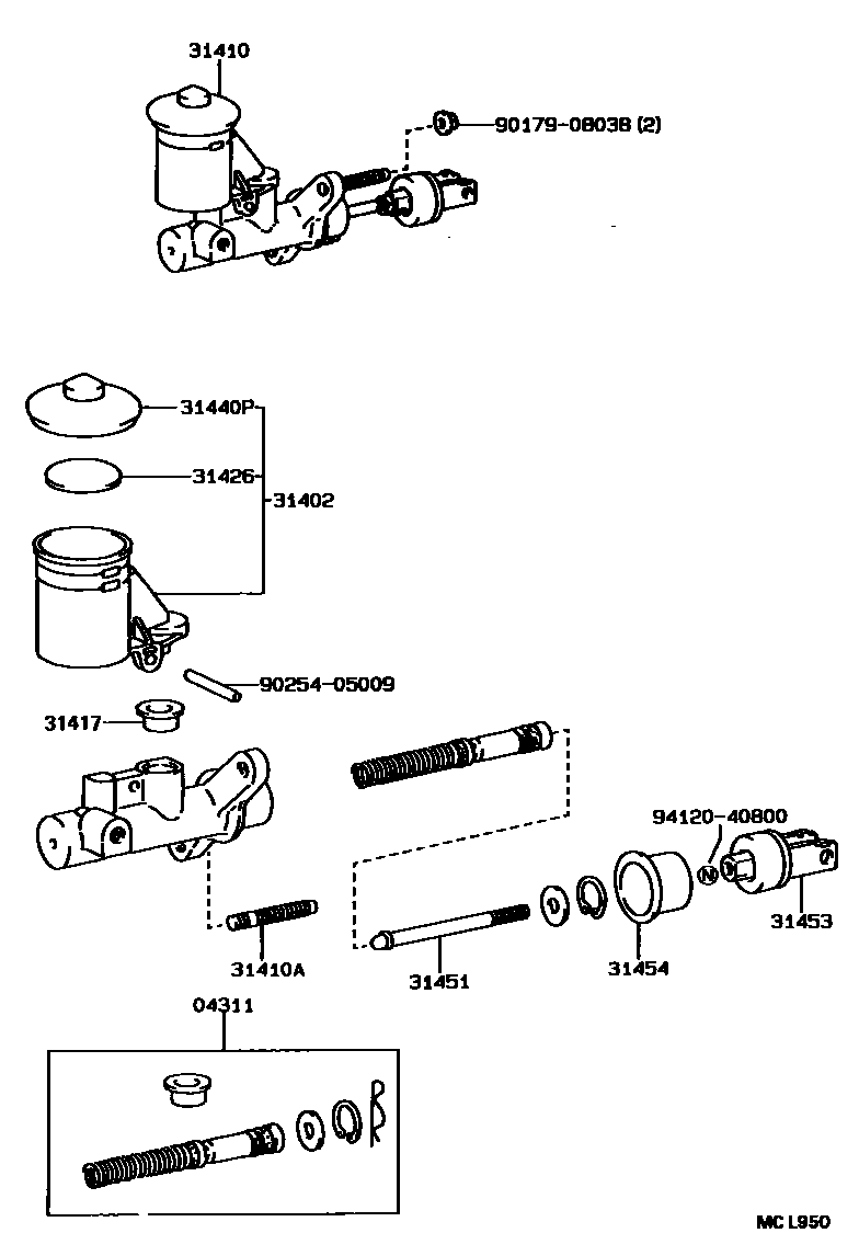
CLUTCH MASTER CYLINDER

Parts diagram
04311CYLINDER KIT, CLUTCH MASTER
main04311-12060i199106-199205
main04311-12080i199205-199608
main04311-60150i199404-199408
31402RESERVOIR SUB-ASSY, CLUTCH MASTER CYLINDER
main31402-33010i199106-199608
main31402-35030i199106-199608
31410CYLINDER ASSY, CLUTCH MASTER
main31410-33011i199106-199608
main31410-33021i199106-199608
31410ABOLT(FOR CLUTCH MASTER CYLINDER SETTING)
main90116-08357i199106-199608
31417GROMMET, CLUTCH RESERVOIR
main31417-35010i199106-199608
31426FLOAT, CLUTCH MASTER CYLINDER RESERVOIR
main31426-30011i199106-199608
31440PCAP ASSY, CLUTCH MASTER CYLINDER RESERVOIR FILLER
main47230-20040i199106-199608
31451ROD, CLUTCH MASTER CYLINDER PUSH
main31451-35080i199106-199608
31453CLEVIS, CLUTCH MASTER CYLINDER PUSH ROD
main31404-33011i199106-199608
31454BOOT, CLUTCH MASTER CYLINDER
main31454-16010i199303-199608
main31454-24010i199106-199303
9017908038
9025405009
9412040800

13 parts on this diagram · 2 diagrams in section

CLUTCH MASTER CYLINDER — Toyota Parts Diagram with OEM Numbers & Prices | EPC Data