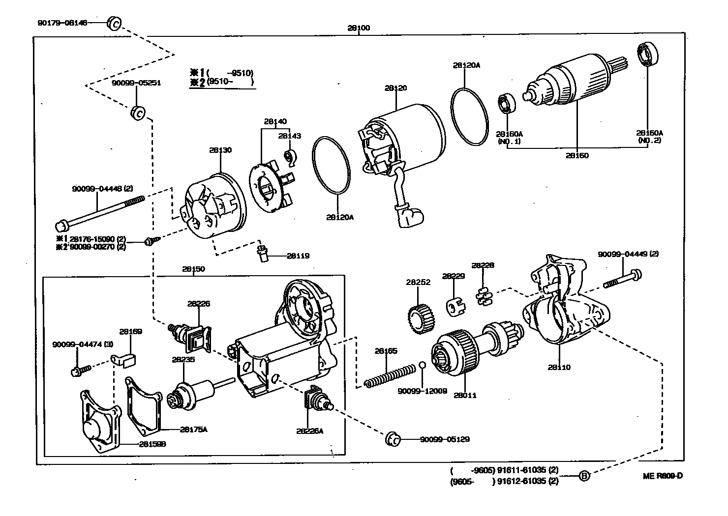
STARTER

28011CLUTCH SUB-ASSY, STARTER
28100STARTER ASSY
12V 1.4KW,*ND USA
12V 1.4KW,COLD SPEC,*ND USA
12V 1.4KW,COLD SPEC OR SEMI COLD SPEC,*ND USA
12V 1.4KW,*ND USA
12V 1.4KW,COLD SPEC OR SEMI COLD SPEC,*ND USA
12V 1.4KW,COLD SPEC,*ND USA
12V 1.4KW,COLD SPEC
12V 1.4KW,COLD SPEC OR SEMI COLD SPEC
12V 1.4KW
12V 1.4KW,*ND
12V 1.4KW,COLD SPEC,*ND
12V 1.4KW,COLD SPEC OR SEMI COLD SPEC,*ND
12V 1.4KW,*ND
12V 1.4KW,COLD SPEC,*ND
12V 1.4KW,COLD SPEC OR SEMI COLD SPEC,*ND
28110HOUSING ASSY, STARTER DRIVE
28119COVER, STARTER END FRAME
28120YOKE ASSY, STARTER
COLD SPEC
COLD SPEC
28120ARING, O(FOR STARTER YOKE)
28130FRAME ASSY, STARTER COMMUTATOR END
COLD SPEC
28140HOLDER ASSY, STARTER BRUSH
COLD SPEC
28143SPRING, STARTER BRUSH
COLD SPEC
28159BCOVER, MAGNET SWITCH
28160ARMATURE ASSY, STARTER
COLD SPEC
28160ABEARING, STARTER ARMATURE
NO.1
NO.2
28165SPRING, STARTER MAGNET SWITCH RETURN
28169CLAMP, STARTER MOTOR LEAD WIRE
28175AGASKET, MAGNET SWITCH COVER
28226ASTARTER KIT, MOTOR TERMINAL
28228ROLLER, STARTER IDLE GEAR CLUTCH
COLD SPEC
28229RETAINER, STARTER IDLE GEAR
28235PLUNGER, MAGNET SWITCH
28252GEAR, STARTER IDLE
2817615090SCREW, STARTER
main28176-15090
9009900270
main90099-00270
9009904448
main90099-04448
9009904449
main90099-04449
9009904474
main90099-04474
9009905129
main90099-05129
9009905251
main90099-05251
9009912009
main90099-12009
9017908146
main90179-08146
9161161035
main91611-61035
9161261035
main91612-61035
33 parts on this diagram · 3 diagrams in section