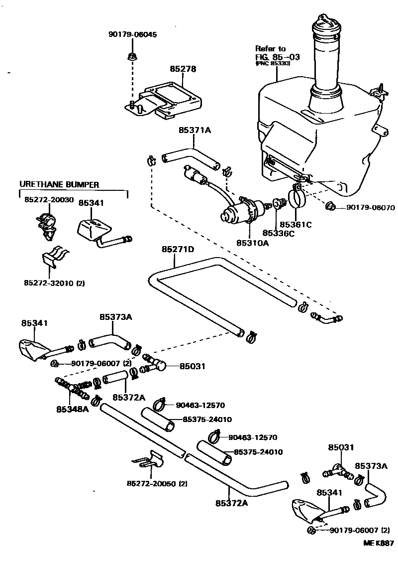
HEADLAMP CLEANER

8503
85031VALVE, HEADLAMP CLEANER WASHER HOSE
85271DHOSE, HEADLAMP CLEANER, NO.5
85278RELAY ASSY, HEADLAMP CLEANER CONTROL
85310AMOTOR AND PUMP ASSY, HEADLAMP CLEANER WASHER
85336CPACKING, HEADLAMP CLEANER MOTOR
85341NOZZLE, HEADLAMP CLEANER WASHER
W(P.P. BUBPER)
W(URETHANE BUMPER & *HC)
85348AJOINT, HEADLAMP CLEANER HOSE, NO.1
85361CBRACKET, WASHER
85371AHOSE, HEADLAMP CLEANER(FROM MOTOR TO JOINT)
L=70
85372AHOSE, HEADLAMP CLEANER (FROM JOINT TO JOINT OR NOZZLE)
LH
L=50,RH
85373AHOSE, HEADLAMP CLEANER WASHER (FROM JOINT TO NOZZLE)
L=35
8527220030CABLE SUB-ASSY, HEADLAMP CLEANER, RH
main85272-20030
8527220050CABLE SUB-ASSY, HEADLAMP CLEANER, RH
main85272-20050
8527232010CABLE SUB-ASSY, HEADLAMP CLEANER, RH
main85272-32010
8537524010HOSE, WINDSHIELD WASHER, NO.1(FOR LEVEL GAGE)
main85375-24010
9017906007
main90179-06007
9017906045
main90179-06045
9017906070
main90179-06070
9046312570
main90463-12570
20 parts on this diagram · 1 diagram in section