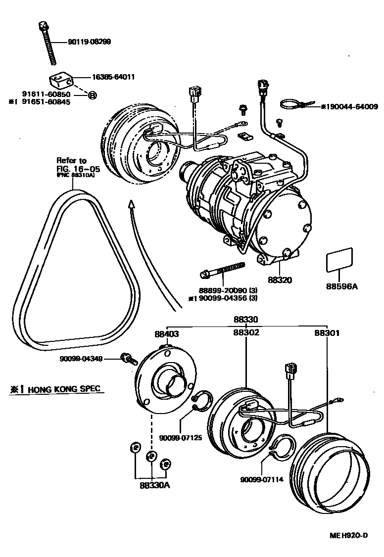
HEATING & AIR CONDITIONING - COMPRESSOR

1605
88330AWASHER (FOR MAGNET CLUTCH)
88596APLATE, CAUTION
1638564011SLIDER, FAN BELT ADJUSTING
main16385-64011
8889920090COVER, EVAPORATOR
main88899-20090
9004464009
main90044-64009
9009904349
main90099-04349
9009904356
main90099-04356
9009907114
main90099-07114
9009907125
main90099-07125
9011908299
main90119-08299
9161160850
main91611-60850
9165160845
main91651-60845
18 parts on this diagram · 3 diagrams in section