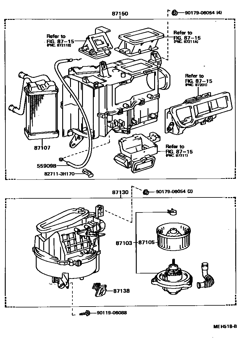
HEATING & AIR CONDITIONING - HEATER UNIT & BLOWER

55909BCABLE SUB-ASSY, AIRMIX DAMPER CONTROL
SWEDEN SPEC
FINLAND OR NORWAY SPEC
SWEDEN OR NORWAY SPEC
FINLAND,NORWAY OR SWEDEN SPEC
87103MOTOR SUB-ASSY, HEATER BLOWER, W/FAN
87105FAN SUB-ASSY, HEATER BLOWER
87107UNIT SUB-ASSY, HEATER RADIATOR
87130BLOWER ASSY, HEATER, FRONT
HONG KONG SPEC
FINLAND WHITE PACKAGE
MIAMI
87138RESISTOR, HEATER BLOWER
FINLAND WHITE PACKAGE
HONG KONG SPEC
MIAMI
8715HEATING & AIR CONDITIONING - CONTROL & AIR DUCT
87150RADIATOR ASSY, HEATER
HONG KONG SPEC
SWEDEN SPEC
FINLAND,NORWAY OR SWEDEN SPEC
FINLAND OR NORWAY SPEC
SWEDEN OR NORWAY SPEC
FINLAND WHITE PACKAGE
MIAMI
827113H170WIRE, FUSE TO FUSE(FOR COMBUSTION HEATER)
main82711-3H170
9011906088
main90119-06088
9017906054
main90179-06054
11 parts on this diagram · 2 diagrams in section