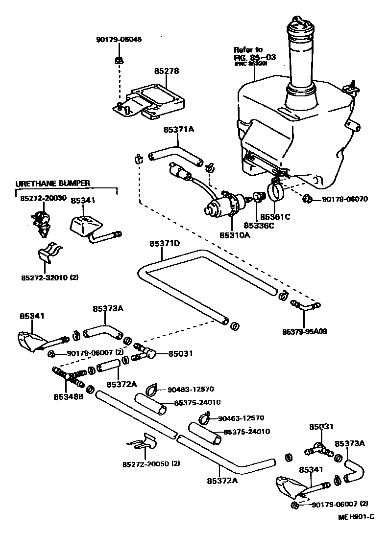
HEADLAMP CLEANER

8503
85031VALVE, HEADLAMP CLEANER WASHER HOSE
85336CPACKING, HEADLAMP CLEANER MOTOR
85341NOZZLE, HEADLAMP CLEANER WASHER
W(URETHANE BUMPER)
W/URETHANE BUMPER
85348BJOINT, HEADLAMP CLEANER HOSE, NO.2
85361CBRACKET, WASHER
85371AHOSE, HEADLAMP CLEANER(FROM MOTOR TO JOINT)
L=70
85371DHOSE, HEADLAMP CLEANER, NO.2
85372AHOSE, HEADLAMP CLEANER (FROM JOINT TO JOINT OR NOZZLE)
LH
L=50,RH
85373AHOSE, HEADLAMP CLEANER WASHER (FROM JOINT TO NOZZLE)
L=35
8527220030CABLE SUB-ASSY, HEADLAMP CLEANER, RH
main85272-20030
8527220050CABLE SUB-ASSY, HEADLAMP CLEANER, RH
main85272-20050
8527232010CABLE SUB-ASSY, HEADLAMP CLEANER, RH
main85272-32010
8537524010HOSE, WINDSHIELD WASHER, NO.1(FOR LEVEL GAGE)
main85375-24010
8537995A09JOINT
main85379-95A09
9017906007
main90179-06007
9017906045
main90179-06045
9017906070
main90179-06070
9046312570
main90463-12570
21 parts on this diagram · 1 diagram in section