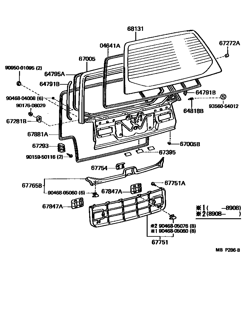
BACK DOOR PANEL & GLASS

04641ADAM KIT, BACK WINDOW GLASS ADHESIVE
64791BCOVER, BACK DOOR TRIM
MAROON,TRIM3#,RH
MEDIUM GRAY,TRIM1#,RH
DARK BLUE,TRIM8#,RH
BROWN,TRIM4#,RH
MAROON,TRIM3#,LH
MEDIUM GRAY,TRIM1#,LH
DARK BLUE,TRIM8#,LH
BROWN,TRIM4#,LH
64795ATRIM, BACK WINDOW OPENING
64818BSPACER, BACK DOOR GLASS, NO.1
67005PANEL SUB-ASSY, BACK DOOR
67005BCUSHION(FOR BACK DOOR PANEL)
67272ACUSHION, BACK DOOR STOPPER, NO.2
67281BSTOPPER, BACK DOOR, LOWER
67293CUSHION, BACK DOOR LOWER STOPPER
RH
LH
67395PROTECTOR, BACK DOOR, LOWER
67751BOARD, BACK DOOR TRIM
MAROON,TRIM3#
MEDIUM GRAY,TRIM1#
DARK BLUE,TRIM8#
BROWN,TRIM4#
67751ACLIP(FOR BACK DOOR TRIM BOARD)
67754MOULDING, BACK DOOR TRIM
67765BCOVER, BACK DOOR TRIM, UPPER
67847ACOVER, BACK DOOR SERVICE HOLE
67881AWEATHERSTRIP, BACK DOOR
68131GLASS, BACK DOOR
*EHTT,T=3.5
*EHTT,T=3.5,BRONZE
9015950116
9017608029
9046804008
9046805060
9046805076
9095001095
9356054012
24 parts on this diagram · 1 diagram in section