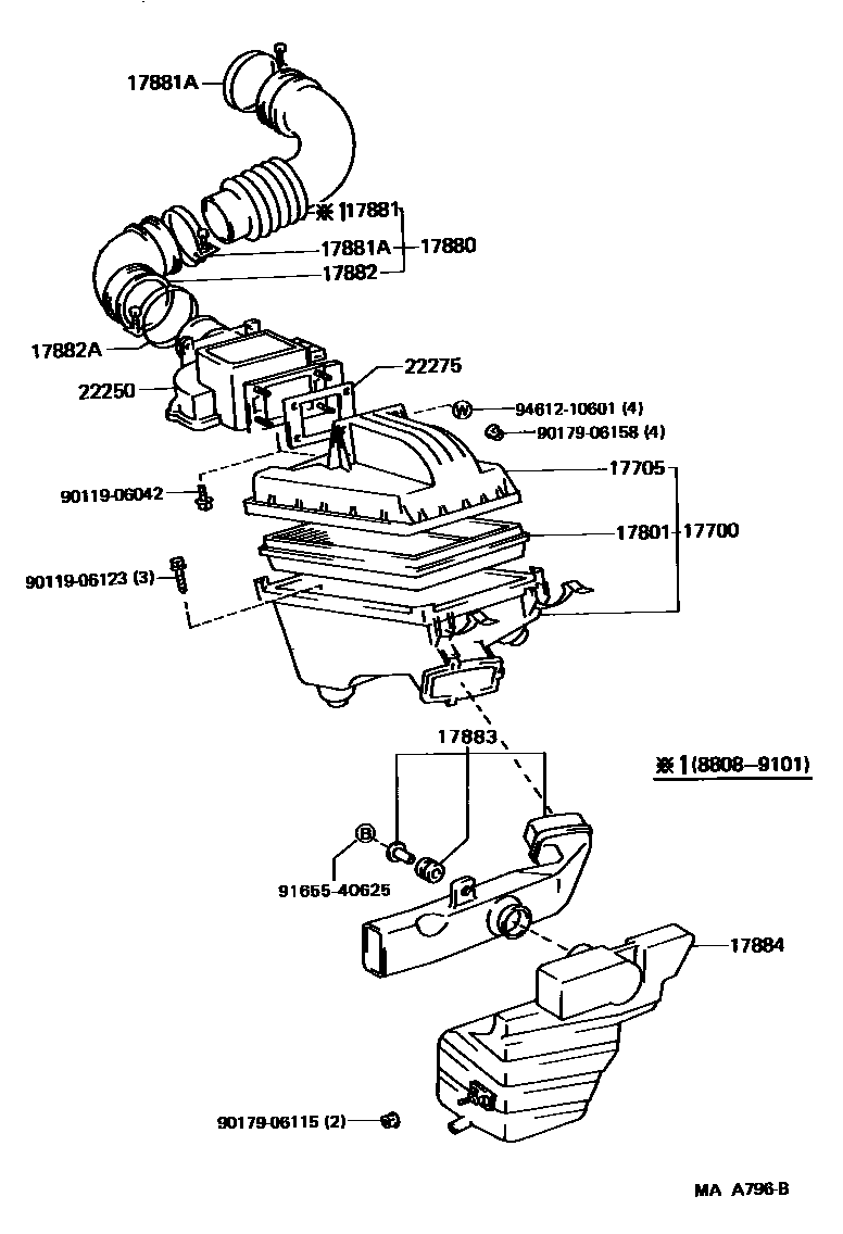
AIR CLEANER

17700CLEANER ASSY, AIR
17705CAP SUB-ASSY, AIR CLEANER
17880HOSE ASSY, AIR CLEANER
17881HOSE, AIR CLEANER, NO.1
17881ACLAMP(FOR AIR CLEANER HOSE, NO.1)
AIR CLEANER SIDE
NO.1
THROTTLE BODY SIDE
NO.2
17882HOSE, AIR CLEANER, NO.2
17882ACLAMP(FOR AIR CLEANER HOSE, NO.2)
17883HOSE, AIR CLEANER, NO.3
22250METER ASSY, INTAKE AIR FLOW
22275GASKET, AIR FLOW METER
9011906042
main90119-06042
9011906123
main90119-06123
9017906115
main90179-06115
9017906158
main90179-06158
9165540625
main91655-40625
9461210601
main94612-10601
18 parts on this diagram · 2 diagrams in section