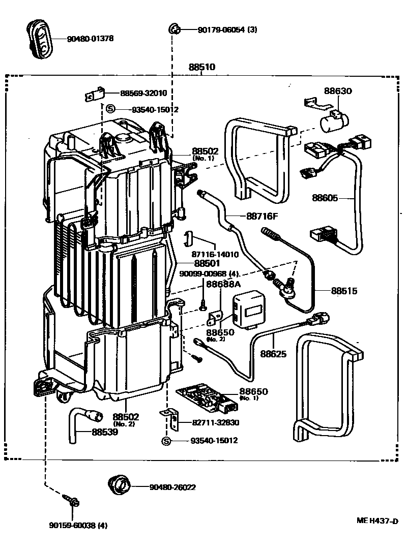
HEATING & AIR CONDITIONING - COOLER UNIT

88501EVAPORATOR SUB-ASSY, COOLER, NO.1
88502CASE SUB-ASSY, COOLING UNIT
NO.2
88510UNIT ASSY, COOLER
88515VALVE, COOLER EXPANSION
88605HARNESS SUB-ASSY, COOLER WIRING, NO.1
88625THERMISTOR, COOLER, NO.1
88630RELAY ASSY, COOLER
88650AMPLIFIER ASSY, COOLER STABILIZER
NO.3
NO.1
NO.2
NO.1
NO.2
NO.2
88688ABRACKET, COOLER STABILIZER AMPLIFIER
88716FPIPE, COOLER REFRIGERANT LIQUID, F
8271132830WIRE, FUSE TO FUSE(FOR COMBUSTION HEATER)
8711614010SPRING, HEATER CASE FASTENING
main87116-14010
8856932010CLAMP (FOR COOLER RELAY)
main88569-32010
9009900968
main90099-00968
9015960038
9017906054
9048001378
main90480-01378
9048026022
9354015012
20 parts on this diagram · 2 diagrams in section