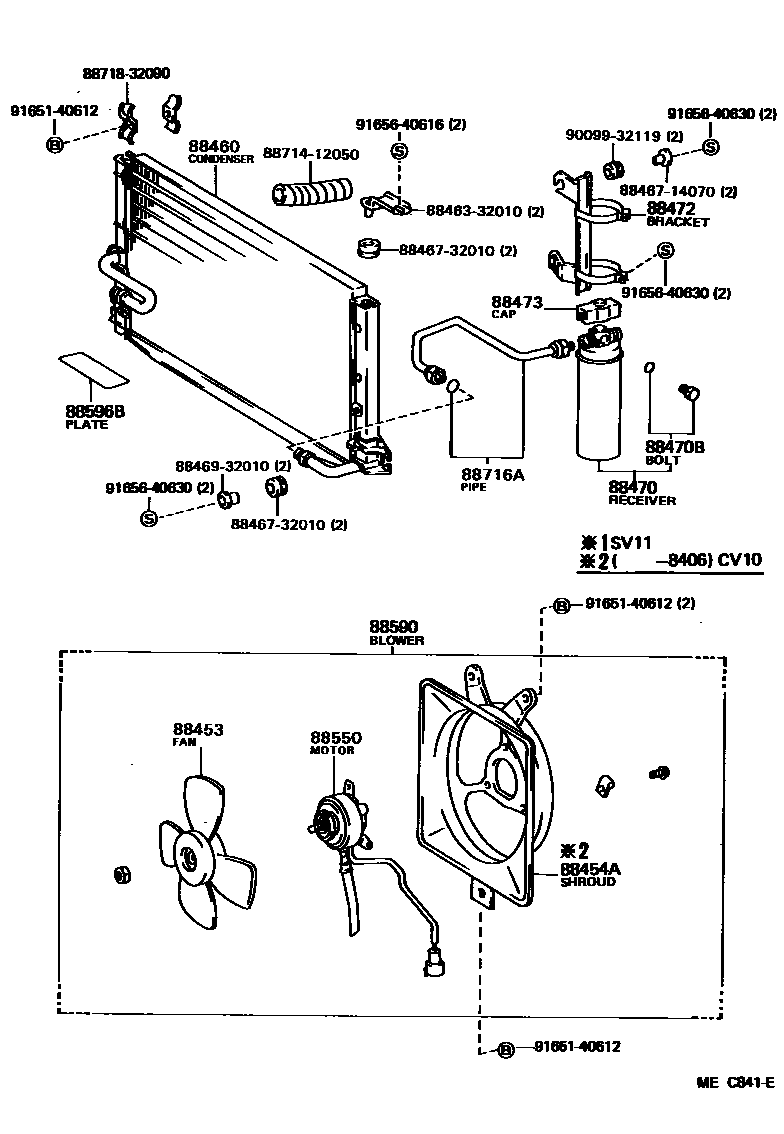
HEATING & AIR CONDITIONING - COOLER PIPING

88453FAN, COOLING (FOR CONDENSER)
88460CONDENSER ASSY, COOLER
88470RECEIVER & DRYER ASSY, COOLER
88470BBOLT, FUSE
88472BRACKET, RECEIVER TANK, NO.1
88473CAP, COOLER RECEIVER TANK
88550MOTOR ASSY, BLOWER (FOR CONDENSER)
88596BPLATE, CAUTION, NO.1
sub88723-12010
88716APIPE, COOLER REFRIGERANT LIQUID, A
8846332010BRACKET, COOLER CONDENSER, NO.1
main88463-32010
8846714070CUSHION, COOLER CONDENSER, NO.1
main88467-14070
8846732010CUSHION, COOLER CONDENSER, NO.1
main88467-32010
8846932010SWITCH, PRESSURE CONTROL
main88469-32010
8871412050HOSE, COOLER REFRIGERANT LIQUID, NO.1
main88714-12050
8871832090PIPE, COOLER REFRIGERANT SUCTION, NO.2
main88718-32090
9009932119
main90099-32119
9165140612
9165640616
9165640630
21 parts on this diagram · 2 diagrams in section