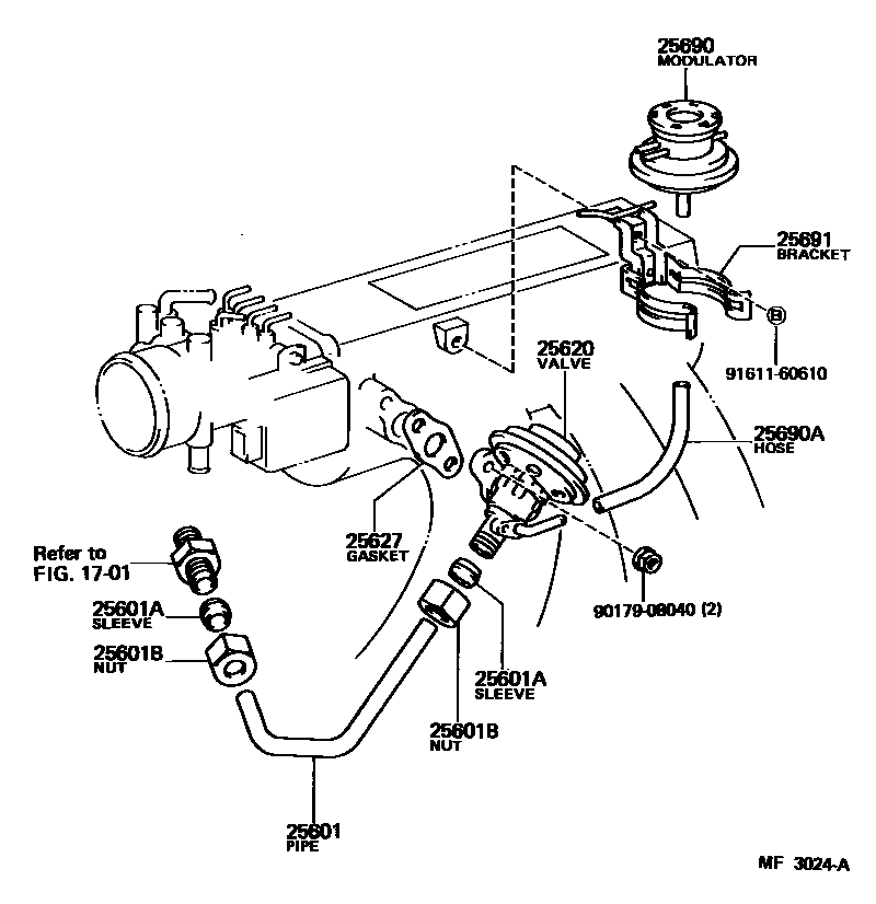
EXHAUST GAS RECIRCULATION SYSTEM

1701
25601PIPE SUB-ASSY, EGR, NO.1
25601ASLEEVE, BALL, EGR PIPE, NO.1
25601BNUT, UNION, EGR PIPE, NO.1
25620VALVE ASSY, EGR
25627GASKET, EGR VALVE
sub25627-74011
25690MODULATOR ASSY, EGR VACUUM
25690AHOSE(FOR EGR VACUUM MODULATOR)
25691BRACKET, EGR VACUUM MODULATOR
9017908040
main90179-08040
9161160610
main91611-60610
11 parts on this diagram · 1 diagram in section