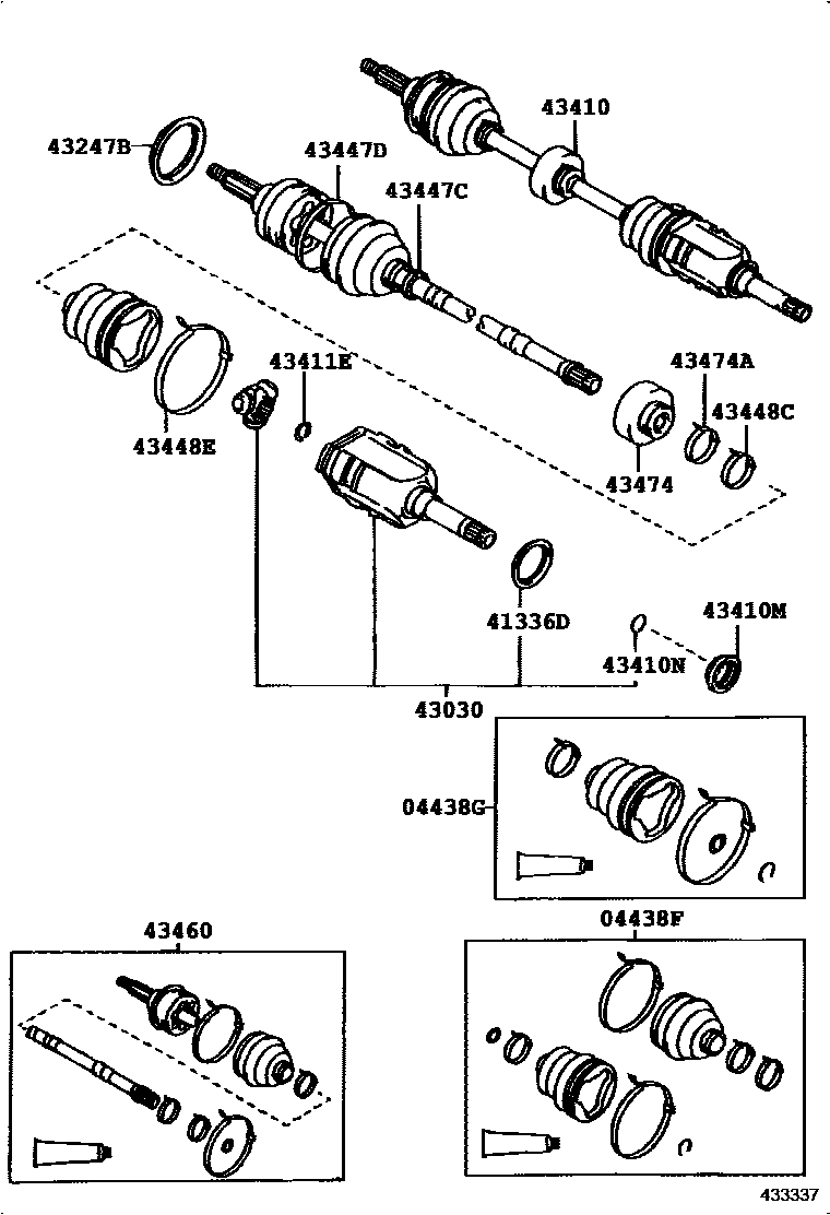
FRONT DRIVE SHAFT

04438FBOOT KIT, FRONT DRIVE SHAFT, IN & OUTBOARD, RH
04438GBOOT KIT, FRONT DRIVE SHAFT INBOARD JOINT, RH
41336DCOVER, FRONT DRIVE SHAFT DUST, RH
43030JOINT ASSY, FRONT DRIVE INBOARD, RH
43247BDEFLECTOR, FRONT WHEEL BEARING DUST, RH NO.2
W(*66)
43410SHAFT ASSY, FRONT DRIVE, RH
NORWAY OR FINLAND OR DENMARK OR GREECE SPEC
SWEDEN SPEC
NORWAY OR FINLAND OR SWEDEN OR DENMARK SPEC
GREECE SPEC
NORWAY OR SWEDEN OR DENMARK OR FINLAND OR GREECE SPEC & W(*66)
NORWAY OR DENMARK OR FINLAND OR GREECE SPEC & W(*66)
GREECE SPEC & W(*66)
43410MOIL SEAL, FRONT DRIVE SHAFT, RH
43410NRING, HOLE SNAP (FOR FRONT DRIVE SHAFT RH)
43411ERING, SHAFT SNAP (FOR FRONT DRIVE INNER SHAFT INNER RH)
43447CCLAMP (FOR FRONT AXLE OUTBOARD JOINT BOOT RH)
43447DCLAMP, NO.2 (FOR FRONT AXLE OUTBOARD JOINT BOOT RH)
43448CCLAMP (FOR FRONT AXLE INBOARD JOINT BOOT RH)
43448ECLAMP, NO.2 (FOR FRONT AXLE INBOARD JOINT BOOT RH)
43460SHAFT ASSY, FRONT DRIVE OUTBOARD JOINT, RH
43474DAMPER, DRIVE SHAFT
SWEDEN SPEC
NORWAY OR FINLAND OR DENMARK OR GREECE SPEC
NORWAY OR FINLAND OR SWEDEN OR DENMARK SPEC
GREECE SPEC
43474ACLAMP (FOR DRIVE SHAFT DAMPER SETTING)
16 parts on this diagram · 3 diagrams in section