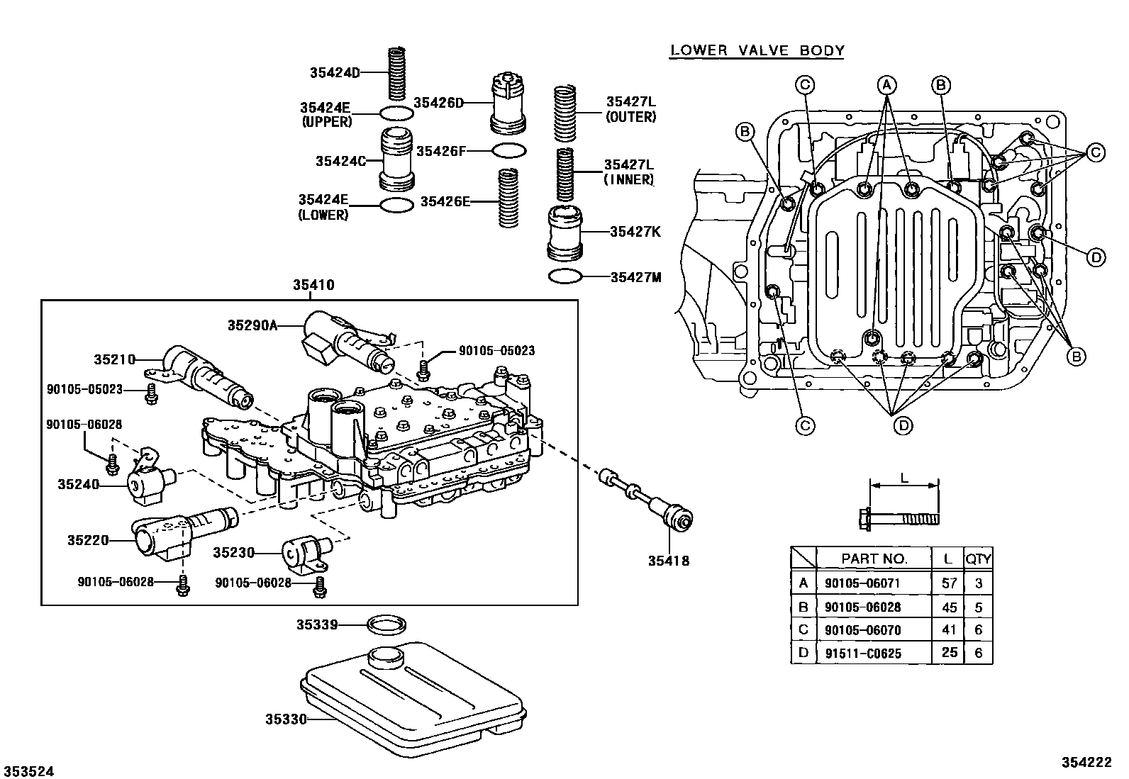
VALVE BODY & OIL STRAINER (ATM)

35210SOLENOID ASSY, CLUTCH CONTROL, NO.1
35220SOLENOID ASSY, CLUTCH CONTROL, NO.2
35290SOLENOID ASSY, LINE PRESSURE CONTROL
35290ASOLENOID ASSY, LINE PRESSURE CONTROL
35339GASKET, OIL STRAINER
35418VALVE, MANUAL
35424CPISTON, C-1 ACCUMULATOR
35424DSPRING, COMPRESSION (FOR C-1 ACCUMULATOR PISTON)
35424ERING, O (FOR C-1 ACCUMULATOR PISTON)
UPPER
LOWER
35426DPISTON, C-3 ACCUMULATOR
35426ESPRING, COMPRESSION (FOR C-3 ACCUMULATOR PISTON)
35426FRING, O (FOR C-3 ACCUMULATOR PISTON)
UPPER
LOWER
35427KPISTON, B-3 ACCUMULATOR
35427LSPRING, COMPRESSION (FOR B-3 ACCUMULATOR PISTON)
INNER
INNER
OUTER
OUTER
35427MRING, O (FOR B-3 ACCUMULATOR PISTON)
9010505023
main90105-05023
9010506028
main90105-06028
9010506070
main90105-06070
9010506071
main90105-06071
91511C0625
main91511-C0625
24 parts on this diagram · 5 diagrams in section