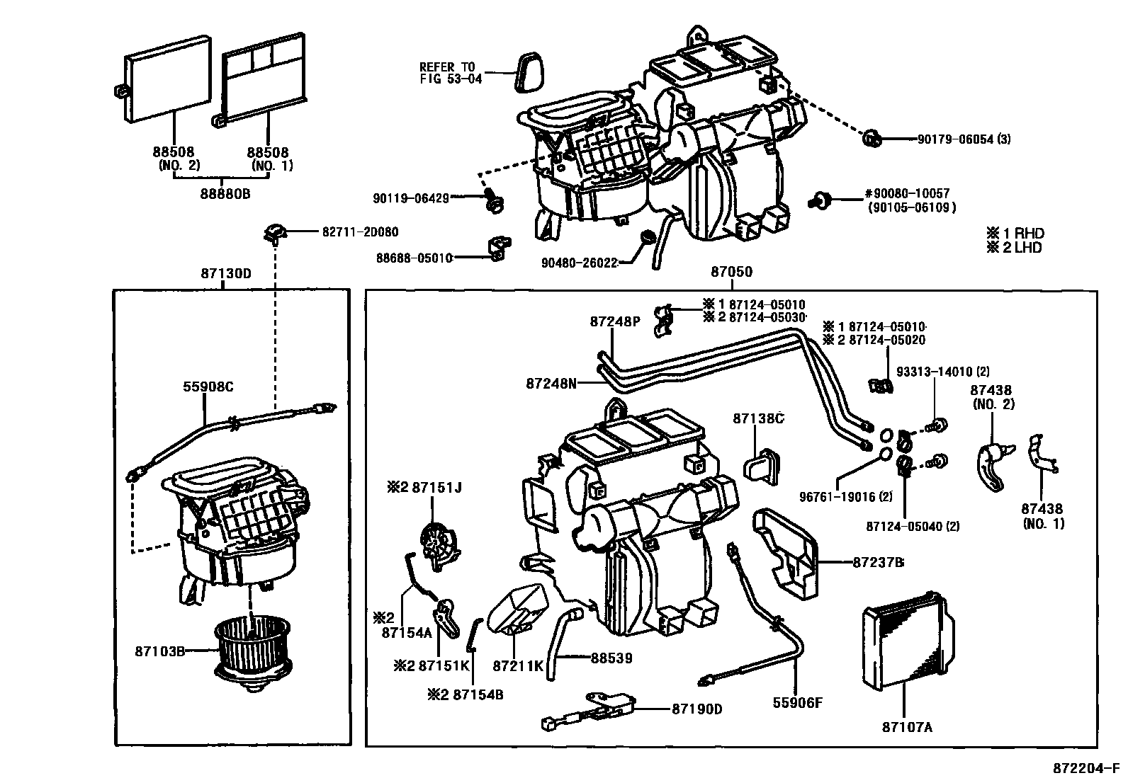
HEATING & AIR CONDITIONING - COOLER UNIT

5304
55906FCABLE SUB-ASSY, DEFROSTER DAMPER CONTROL
55908CCABLE SUB-ASSY, AIR INLET DAMPER CONTROL
87050RADIATOR ASSY, AIR CONDITIONER
DENMARK OR FINLAND OR NORWAY OR SWEDEN SPEC
W(AIR CONDITIONER)
W(AIR CONDITIONER)
NORWAY SPEC & W(AIR CONDITIONER)
W(AUTOMATIC AIR CONDITIONER)
W(AUTOMATIC AIR CONDITIONER)
NORWAY SPEC & W(AUTOMATIC AIR CONDITIONER)
W(AIR CONDITIONER)
W(MANUAL AIR CONDITIONER)
DENMARK OR FINLAND OR NORWAY OR SWEDEN SPEC
W(AIR CONDITIONER)
W(AIR CONDITIONER)
NORWAY SPEC & W(AIR CONDITIONER)
W(AUTOMATIC AIR CONDITIONER)
W(AUTOMATIC AIR CONDITIONER)
NORWAY SPEC & W(AUTOMATIC AIR CONDITIONER)
W(AUTO AIR CONDITIONER)
W(AUTO AIR CONDITIONER)
NORWAY OR FINLAND OR SWEDEN SPEC
W(AUTO AIR CONDITIONER)
(NORWAY OR FINLAND OR SWEDEN SPEC) & W(AUTO AIR CONDITIONER)
W(AUTO AIR CONDITIONER)
(NORWAY OR FINLAND OR SWEDEN SPEC) & W(AUTO AIR CONDITIONER)
W(MANUAL AIR CONDITIONER)
(NORWAY OR FINLAND OR SWEDEN SPEC) & W(MANUAL AIR CONDITIONER)
W(AUTO AIR CONDITIONER)
87103BMOTOR SUB-ASSY, BLOWER W/FAN
87107AUNIT SUB-ASSY, HEATER RADIATOR
NORWAY OR FINLAND OR SWEDEN SPEC
87130DBLOWER ASSY
87138CRESISTOR, BLOWER
87151JPLATE, DAMPER NO.1
87151KPLATE, DAMPER NO.2
87154ASHAFT, DAMPER, NO.1
87154BSHAFT, DAMPER, NO.2
87190DSWITCH ASSY, TEMPERATURE CONTROL
87211KDUCT, AIR
87237BCOVER, HEATER PIPING
87248NPIPE, HEATER WATER INLET
87248PPIPE, HEATER WATER OUTLET
87438PLATE,LINK
NO.1
NO.2
NO.1
NO.2
88508FILTER SUB-ASSY, CLEAN AIR
W(AIR CONDITIONER),NO.1
NO.2
W(AIR CONDITIONER),NO.1
NO.2
NO.1
NO.1
W(AIR CONDITIONER),NO.1
W(AIR CONDITIONER),NO.1
NO.1
NO.1
88539HOSE, COOLER UNIT DRAIN, NO.1
88880BFILTER ASSY, CLEAN AIR
W(AIR CONDITIONER)
W(AIR CONDITIONER)
827112D080WIRE, FUSE TO FUSE(FOR COMBUSTION HEATER)
main82711-2D080
8712405010CLAMP, HEATER
main87124-05010
8712405020CLAMP, HEATER
main87124-05020
8712405030CLAMP, HEATER
main87124-05030
8712405040CLAMP, HEATER
main87124-05040
8868805010BRACKET, COOLER DIAPHRAGM
main88688-05010
9008010057
main90080-10057
9010506109
main90105-06109
9011906429
main90119-06429
9017906054
main90179-06054
9048026022
main90480-26022
9331314010
main93313-14010
9676119016
main96761-19016
34 parts on this diagram · 9 diagrams in section