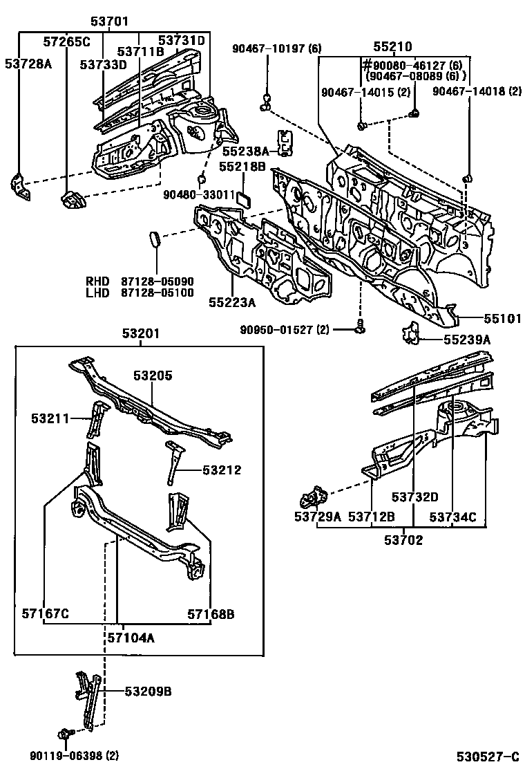
FRONT FENDER APRON & DASH PANEL

53201SUPPORT SUB-ASSY, RADIATOR
53205SUPPORT SUB-ASSY, RADIATOR, UPPER
53209BBRACE SUB-ASSY, HOOD LOCK SUPPORT
53211SUPPORT, RADIATOR, RH
53212SUPPORT, RADIATOR, LH
53701APRON SUB-ASSY, FRONT FENDER, RH
53702APRON SUB-ASSY, FRONT FENDER, LH
53711BAPRON, FRONT FENDER, FRONT RH
53712BAPRON, FRONT FENDER, FRONT LH
53728ABRACKET, FENDER APRON, RH
53729ABRACKET, FENDER APRON, LH
53731DMEMBER, FRONT APRON TO COWL SIDE, UPPER RH
53732DMEMBER, FRONT APRON TO COWL SIDE, UPPER LH
53733DMEMBER, FRONT APRON TO COWL SIDE, LOWER FRONT RH
53734CMEMBER, FRONT APRON TO COWL SIDE, LOWER FRONT LH
55101PANEL SUB-ASSY, DASH
NORWAY OR FINLAND OR SWEDEN SPEC
55210INSULATOR ASSY, DASH PANEL
55218BSEAL, DASH PANEL INSULATOR
55223AINSULATOR, DASH PANEL, OUTER
55238APLATE, DASH PANEL INSULATOR, NO.2
55239APLATE, DASH PANEL INSULATOR, NO.3
57104AMEMBER SUB-ASSY, FRONT CROSS
57167CGUSSET, FRONT CROSSMEMBER SIDE, RH
57168BGUSSET, FRONT CROSSMEMBER SIDE, LH
57265CBRACKET, ENGINE MOUNTING, RH
8712805090GROMMET, HEATER
main87128-05090
8712805100GROMMET, HEATER
main87128-05100
9008046127
main90080-46127
9011906398
main90119-06398
9046708089
main90467-08089
9046710197
main90467-10197
9046714015
main90467-14015
9046714018
main90467-14018
9048033011
main90480-33011
9095001527
main90950-01527
35 parts on this diagram · 1 diagram in section