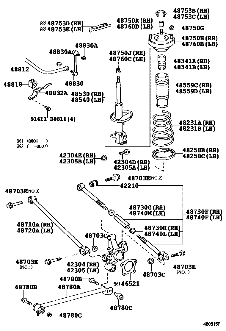
REAR SPRING & SHOCK ABSORBER

42210BUSH ASSY, LOWER BALL
42304CARRIER SUB-ASSY, REAR AXLE, RH
W(ABS)
W(ABS)
42304DBOLT (FOR REAR AXLE CARRIER RH)
42304ENUT (FOR REAR AXLE CARRIER RH)
42305CARRIER SUB-ASSY, REAR AXLE, LH
W(ABS)
42305ABOLT (FOR REAR AXLE CARRIER LH)
42305BNUT (FOR REAR AXLE CARRIER LH)
46521PLATE, PARKING BRAKE BACKING
48231ASPRING, COIL, REAR RH
ROUGH ROAD PACKAGE
ROUGH ROAD PACKAGE
ROUGH ROAD PACKAGE
48231BSPRING, COIL, REAR LH
ROUGH ROAD PACKAGE
ROUGH ROAD PACKAGE
ROUGH ROAD PACKAGE
ROUGH ROAD PACKAGE
48258BINSULATOR, REAR COIL SPRING, LOWER RH
48258CINSULATOR, REAR COIL SPRING, LOWER LH
48341ABUMPER, REAR SPRING, NO.1 RH
48341BBUMPER, REAR SPRING, NO.1 LH
48530ABSORBER ASSY, SHOCK, REAR RH
IRELAND SPEC
main48530-09202iAT221..RHD;CDT220..RHD..TERRA;AT220..LHD..WG..TERRA;AT220,CT220,ST220..RHD..(LB,SED)199907-200107
MARK 48530-05112,IRELAND SPEC
MARK 48530-05113,IRELAND SPEC
MARK 48530-05171
MARK 48530-05181
MARK 48530-05172
MARK 48530-05173
MARK 48530-05182
MARK 48530-05183
48540ABSORBER ASSY, SHOCK, REAR LH
IRELAND SPEC
main48540-09182iAT221..RHD;CDT220..RHD..TERRA;AT220..LHD..WG..TERRA;AT220,CT220,ST220..RHD..(LB,SED)199907-200107
MARK 48540-05112,IRELAND SPEC
MARK 48540-05113,IRELAND SPEC
MARK 48540-05171
MARK 48540-05181
MARK 48540-05172
MARK 48540-05173
MARK 48540-05182
MARK 48540-05183
48559CCOVER, REAR SHOCK ABSORBER DUST, RH NO.1
48559DCOVER, REAR SHOCK ABSORBER DUST, LH NO.1
48703CNUT(FOR REAR SUSPENSION ARM)
BODY SIDE
CARRIER SIDE
48703EBOLT(FOR REAR SUSPENSION ARM)
*14-1.50PX75-30,NO.1
*14-1.50PX75-30,NO.2
*14-1.50PX76-36,NO.3
48710AARM ASSY, REAR SUSPENSION, NO.1 RH
48720AARM ASSY, REAR SUSPENSION, NO.1 LH
48730FARM ASSY, REAR SUSPENSION, NO.2 RH
48730GNUT, NO.1(FOR REAR SUSPENSION ARM NO.2 RH)
48730HNUT, NO.2(FOR ARM ASSY, REAR SUSPENSION, NO.2 RH)
48740FARM ASSY, REAR SUSPENSION, NO.2 LH
48740LNUT, NO.1(FOR REAR SUSPENSION ARM NO.2 LH)
48740MNUT, NO.2(FOR ARM ASSY, REAR SUSPENSION, NO.2 LH)
48750GNUT(FOR REAR SUSPENSION SUPPORT)
48750HSUPPORT ASSY, REAR SUSPENSION, RH
48750JNUT(FOR REAR SUPPORT TO REAR SHOCK ABSORBER RH)
48750KCOLLAR(FOR REAR SUPPORT TO REAR SHOCK ABSORBER RH)
48753BCOVER, REAR SUSPENSION SUPOPORT, NO.1 RH
48753CCOVER, REAR SUSPENSION SUPOPORT, NO.1 LH
48753DCOVER, REAR SUSPENSION SUPOPORT, NO.2 RH
48753ECOVER, REAR SUSPENSION SUPOPORT, NO.2 LH
48760BSUPPORT ASSY REAR SUSPENSION, LH
48760CNUT(FOR REAR SUPPORT TO REAR SHOCK ABSORBER LH)
48760DCOLLAR(FOR REAR SUPPORT TO REAR SHOCK ABSORBER LH)
48780AROD ASSY, STRUT, REAR
48780BBOLT(FOR STRUT ROD)
48780CNUT(FOR STRUT ROD)
CARRIER SIDE
BODY SIDE
48812BAR, STABILIZER, REAR
48818BUSH, STABILIZER, REAR
48830LINK ASSY, REAR STABILIZER
48830ANUT(FOR REAR STABILIZER LINK)
sub90179-10183
48832ABRACKET, REAR STABILIZER BAR, NO.1
91611B0816
main91611-B0816
48 parts on this diagram · 1 diagram in section