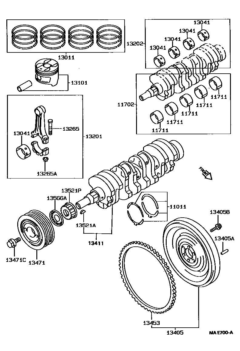
CRANKSHAFT & PISTON

11011WASHER SET, CRANKSHAFT THRUST
STD
STD
O/S 0.125
O/S 0.250
11702BEARING SET, CRANKSHAFT
U/S 0.25
U/S 0.25
11711BEARING, CRANKSHAFT
MARK 1
MARK 2
MARK 3
MARK 4
MARK 5
MARK 1
MARK 2
MARK 3
MARK 4
MARK 5
13011RING SET, PISTON
STD
STD,STD,CIS
STD
STD
STD
O/S 0.50,O/S 0.50,CIS
O/S 0.50
O/S 0.50
O/S 0.50
13041BEARING, CONNECTING ROD
MARK 1
MARK 2
MARK 3
MARK 1
MARK 2
MARK 3
MARK 1
MARK 2
MARK 3
MARK 4
MARK 5
13101PISTON SUB-ASSY, W/PIN
STD,MARK 1
STD,MARK 2
STD,MARK 3
STD,MARK 1
STD,MARK 2
STD,MARK 3
STD,MARK 1
STD,MARK 2
STD,MARK 3
STD,MARK 1
STD,MARK 2
STD,MARK 3
STD,MARK 1
STD,MARK 2
STD,MARK 3
O/S 0.50
O/S 0.50
O/S 0.50
O/S 0.50
O/S 0.50
13202BEARING SET, CONNECTING ROD
U/S 0.25
U/S 0.25
U/S 0.25
13265ANUT, HEXAGON(FOR CONNECTING ROD BOLT)
13405APIN, STRAIGHT(FOR FLYWHEEL)
L=23,OD=8
L=18,OD=8
13405BBOLT, FLYWHEEL SETTING
13521AKEY(FOR CRANKSHAFT TIMING GEAR)
13521PPULLEY, CRANKSHAFT TIMING
CIS OR LEAN BURN
LEAN BURN
main13521-02030i7AFE..AT191..UKP;4AFE..AT190..UKP..RHD;4AFE..AT190..UKP..LHD..WG;4AFE..AT190..UKP..LHD..ATM199412-199710
sub13521-74040
13566AGUIDE, TIMING BELT
20 parts on this diagram · 4 diagrams in section