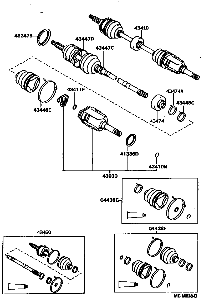
FRONT DRIVE SHAFT

04438FBOOT KIT, FRONT DRIVE SHAFT, IN & OUTBOARD, RH
04438GBOOT KIT, FRONT DRIVE SHAFT INBOARD JOINT, RH
41336DCOVER, FRONT DRIVE SHAFT DUST, RH
43030JOINT ASSY, FRONT DRIVE INBOARD, RH
43247BDEFLECTOR, FRONT WHEEL BEARING DUST, RH NO.2
GKN
W(*66),GKN
GKN
W(*66)
TOYOTA
43410SHAFT ASSY, FRONT DRIVE, RH
NORWAY, DENMARK, FINLAND, GREECE SPEC
NORWAY, SWEDEN, DENMARK, FINLAND, GREECE SPEC
NORWAY,SWEDEN DENMARK,FINLAND,GREECE SPEC
NORWAY,DENMARK,FINLAND,GREECE SPEC
NORWAY,FINLAND,GREECE SPEC
SWEDEN SPEC
W(*66) & NORWAY,FINLAND,GREECE SPEC
SWEDEN SPEC & W(*66)
main43410-20450iAT190..JPP..LHD..ATM;AT190..JPP..LHD..LB..XL;AT190..JPP..LHD..MTM..GL¥82,900199311-199402
W(*66) & NORWAY, DENMARK, FINLAND, GREECE SPEC
main43410-20450iAT190..JPP..LHD..ATM;AT190..JPP..LHD..LB..XL;AT190..JPP..LHD..MTM..GL¥82,900199311-199402
W(*66) & NORWAY, SWEEDEN, DENMARK, FINLAND, GREECE SPEC
W(*66) & NORWAY,DENMARK,FINLAND,GREECE SPEC
W(*66) & SWEDEN,NORWAY,DENMARK,FINLAND,GREECE SPEC
43410NRING, HOLE SNAP (FOR FRONT DRIVE SHAFT RH)
43411ERING, SHAFT SNAP (FOR FRONT DRIVE INNER SHAFT INNER RH)
43447CCLAMP (FOR FRONT AXLE OUTBOARD JOINT BOOT RH)
43447DCLAMP, NO.2 (FOR FRONT AXLE OUTBOARD JOINT BOOT RH)
43448CCLAMP (FOR FRONT AXLE INBOARD JOINT BOOT RH)
43448ECLAMP, NO.2 (FOR FRONT AXLE INBOARD JOINT BOOT RH)
43460SHAFT ASSY, FRONT DRIVE OUTBOARD JOINT, RH
SWEDEN SPEC & W(*66)
43474DAMPER, DRIVE SHAFT
NORWAY,DENMARK,FINLAND,GREECE SPEC
NORWAY,SWEDEN,DENMARK,FINLAND,GREECE SPEC
main43474-20050iAT190..JPP..ATM..XL;AT190..JPP..LHD..LB..XL;AT190..JPP..LHD..MTM..GL¥2,000199402-199410
NORWAY,FINLAND,GREECE SPEC
SWEDEN SPEC
main43474-20050iAT190..JPP..LHD..ATM;AT190..JPP..LHD..LB..XL;AT190..JPP..LHD..MTM..GL¥2,000199311-199402
NORWAY, DENMARK, FINLAND, GREECE SPEC
main43474-20050iAT190..JPP..LHD..ATM;AT190..JPP..LHD..LB..XL;AT190..JPP..LHD..MTM..GL¥2,000199311-199402
NORWAY, SWEEDEN, DENMARK, FINLAND, GREECE SPEC
43474ACLAMP (FOR DRIVE SHAFT DAMPER SETTING)
15 parts on this diagram · 5 diagrams in section