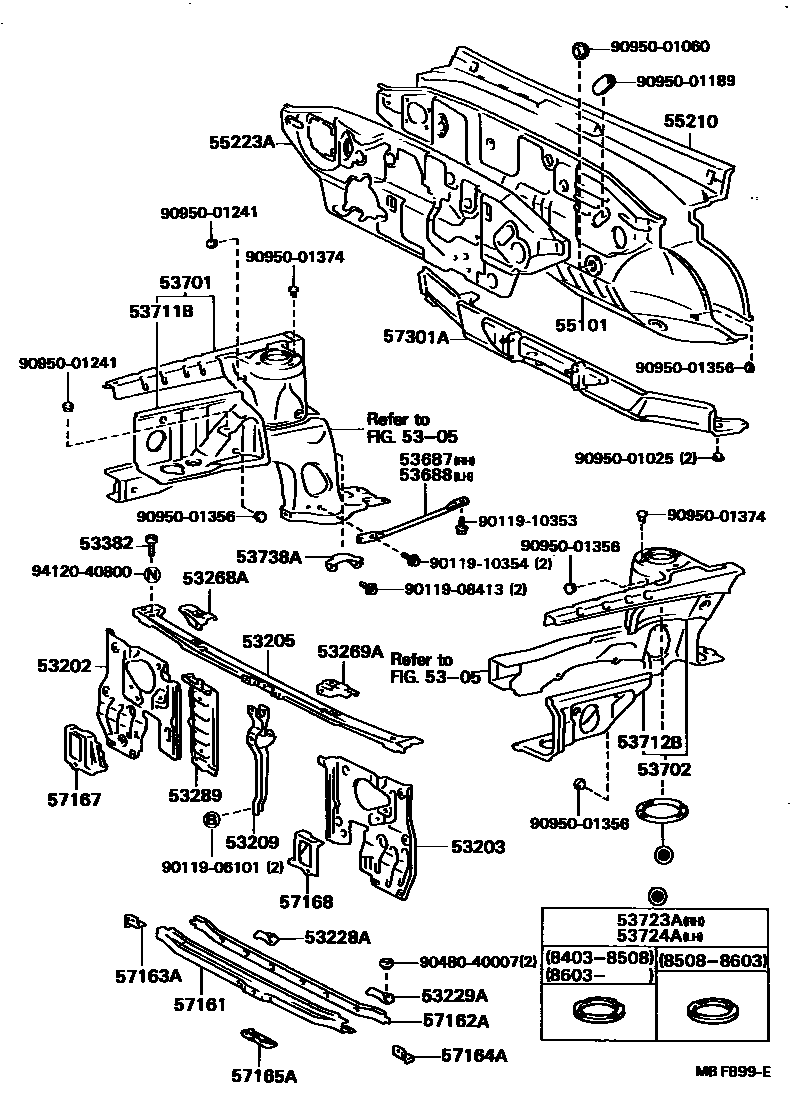
FRONT FENDER APRON & DASH PANEL

5305
53209BRACE SUB-ASSY, HOOD LOCK
main53209-20050iCT150;ST150..XL;AT151..RHD..4F;AT151..4FC..DX;AT151..LB..RHD..4FC;AT151..(3FC,5F)..XL;AT151..(3FC,4F,5F)..EUR;AT151..LHD..(4F,4FC)..(GL,STD,XL)198310-198409
sub53209-20070
53228ABRACKET, RADIATOR MOUNTING, LOWER NO.1
53229ABRACKET, RADIATOR GRILLE MOUNTING
53268AREINFORCEMENT, RADIATOR MOUNTING, RH
THAILAND SPEC
*ME
53269AREINFORCEMENT, RADIATOR MOUNTING, LH
53289COVER, RADIATOR SIDE BAFFLE
53687BRACE, FRONT SUSPENSION LOWER TO STEERING MEMBER, RH
53688BRACE, FRONT SUSPENSION LOWER TO STEERING MEMBER, LH
53701APRON SUB-ASSY, FRONT FENDER, RH
53702APRON SUB-ASSY, FRONT FENDER, LH
53711BAPRON, FRONT FENDER, FRONT RH
53712BAPRON, FRONT FENDER, FRONT LH
53723AREINFORCEMENT, FRONT SPRING SUPPORT, RH
HARSH ROAD PACKAGE
HARSH ROAD PACKAGE
sub53723-20020
sub53723-20020
53724AREINFORCEMENT, FRONT SPRING SUPPORT, LH
HARSH ROAD PACKAGE
HARSH ROAD PACKAGE
sub53723-20020
sub53723-20020
53738ASEAL, FRONT FENDER APRON, REAR RH
55101PANEL SUB-ASSY, DASH
sub55101-20771
sub55101-20811
sub55101-20841
sub55101-20741
sub55101-20751
sub55101-20942
sub55101-20943
sub55101-20944
sub55101-20945
sub55101-20946
sub55101-20947
sub55101-20948
sub55101-20949
sub55101-20741
sub55101-20751
55223AINSULATOR, DASH PANEL, OUTER
57163AREINFORCEMENT, FRONT CROSSMEMBER, NO.1 RH
57164AREINFORCEMENT, FRONT CROSSMEMBER, NO.1 LH
57165AREINFORCEMENT, FRONT CROSSMEMBER, NO.2
57301AMEMBER SUB-ASSY, STEERING GEAR BOX SUPPORT
sub57301-20070
sub57301-20021
sub57301-20031
sub57301-20031
9011906101
main90119-06101
9011908413
main90119-08413
9011910353
main90119-10353
9011910354
main90119-10354
9048040007
main90480-40007
9095001025
main90950-01025
9095001060
main90950-01060
9095001189
main90950-01189
9095001241
main90950-01241
9095001356
main90950-01356
9095001374
main90950-01374
9412040800
main94120-40800
43 parts on this diagram · 1 diagram in section