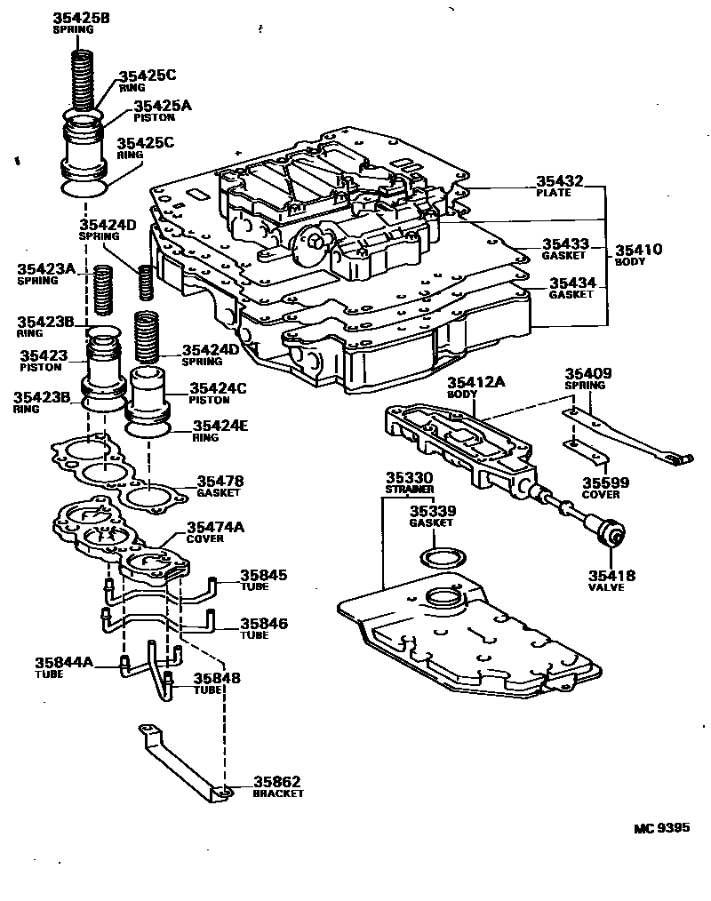
VALVE BODY & OIL STRAINER (ATM)

35339GASKET, OIL STRAINER
35409SPRING SUB-ASSY, MANUAL DETENT
35412ABODY, MANUAL VALVE
35418VALVE, MANUAL
35423PISTON, B-2 ACCUMULATOR
35423ASPRING, COMPRESSION (FOR B-2 ACCUMULATOR PISTON)
LWR
UPR
35423BRING, O (FOR B-2 ACCUMULATOR PISTON)
UPR
LWR
35424CPISTON, C-1 ACCUMULATOR
35424DSPRING, COMPRESSION (FOR C-1 ACCUMULATOR PISTON)
INNER
OUTER
OUTER
INNER
OUTER
INNER
35424ERING, O (FOR C-1 ACCUMULATOR PISTON)
35425APISTON, C-2 ACCUMULATOR
35425CRING, O (FOR C-2 ACCUMULATOR PISTON)
UPR
UPR
LWR
35433GASKET, VALVE BODY, NO.1
35434GASKET, VALVE BODY, NO.2
35474ACOVER, ACCUMULATOR
35478GASKET, ACCUMULATOR COVER
35599COVER, MANUAL DETENT SPRING
35844ATUBE, ACCUMULATOR BACK PRESSURE, NO.1
35848TUBE, FORWARD CLUTCH ACCUMULATOR
26 parts on this diagram · 8 diagrams in section