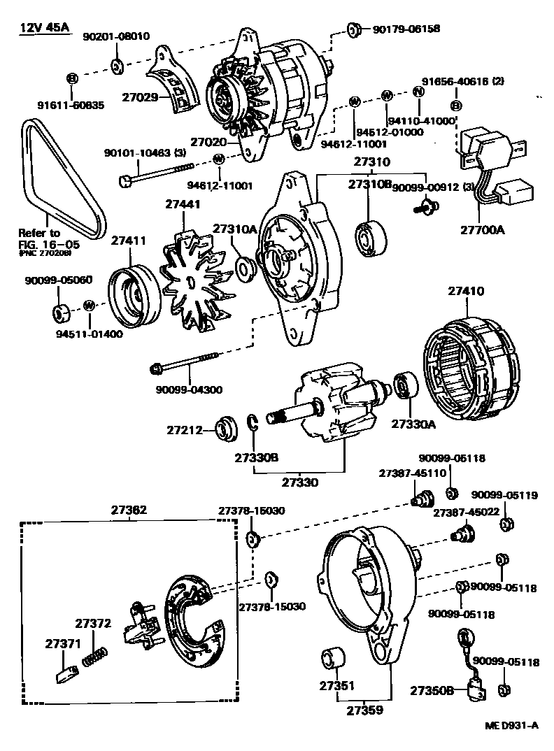
ALTERNATOR

1605
27020ALTERNATOR ASSY
12V 50A
12V 45A
12V 50A
12V 55A
12V 60A,12V 60A
12V 60A
12V 60A,12V 60A
12V 55A
12V 55A
12V 55A,12V 55A
12V 55A,12V 55A
27029COVER, ALTERNATOR
12V 45A,50A
27212RING, SPACE(FOR ALTERNATOR ROTOR)
12V 45A
12V 55A,60A
12V 45A
12V 50A
12V 50A
27310FRAME ASSY, DRIVE END, ALTERNATOR
12V 50A
12V 45A
12V 50A
12V 70A
12V 60A
12V 55A
12V 45A
12V 55A,60A
12V 55A
27310ACOLLAR OR NUT(FOR ALTERNATOR DRIVE END FRAME)
12V 45A
12V 45A,50A
12V 45A,50A
12V 50A
12V 45A,50A
12V 45A
27310BBEARING(FOR ALTERNATOR DRIVE END FRAME)
12V 55A,60A
27330ROTOR ASSY, ALTERNATOR
12V 60A
12V 55A
12V 50A
12V 55A
12V 55A
12V 70A
27330ABEARING(FOR ALTERNATOR ROTOR)
12V 50A
12V 45A
12V 55A,60A
12V 60A,70A
27330BRING, SNAP(FOR ALTERNATOR ROTOR)
12V 45A
12V 55A,60A
27350FRAME ASSY, RECTIFIER END
12V 55A,60A
27350BCONDENSER, ALTERNATOR
27351BUSH(FOR ALTERNATOR RECTIFIER END FRAME)
12V 45A,50A
12V 55A,60A
27359FRAME, ALTERNATOR RECTIFIER END
12V 45A
12V 50A
27362RECTIFIER ASSY, W/BRUSH
12V 50A
12V 45A
27371BRUSH, ALTERNATOR
12V 45A,50A
27372SPRING, ALTERNATOR BRUSH
12V 45A,50A
12V 55A,60A
27410STATOR ASSY, ALTERNATOR
12V 45A
12V 50A
12V 55A
12V 60A
27411PULLEY, ALTERNATOR
12V 45A,50A
12V 55A,60A
12V 60A,70A
12V 45A,50A
12V 55A,60A
27441FAN, ALTERNATOR
12V 50A
12V 45A
12V 55A,60A
27700AREGULATOR ASSY, GENERATOR
12V 45A,50A
12V 45A,50A,55A,60A
12V 50A,55A
12V 50A,55A,IC REGULATOR
sub27700-15051
12V 60A
2737815030INSULATOR, ALTERNATOR, NO.1
main27378-15030
2738745022INSULATOR, TERMINAL
main27387-45022
2738745110INSULATOR, TERMINAL
main27387-45110
9009900912
main90099-00912
9009904300
main90099-04300
9009905060
main90099-05060
9009905118
main90099-05118
9009905119
main90099-05119
9010110463
main90101-10463
9017906158
main90179-06158
9020108010
main90201-08010
9161160835
main91611-60835
9165640616
main91656-40616
9411041000
main94110-41000
9451101400
main94511-01400
9451201000
main94512-01000
9461211001
main94612-11001
38 parts on this diagram · 6 diagrams in section