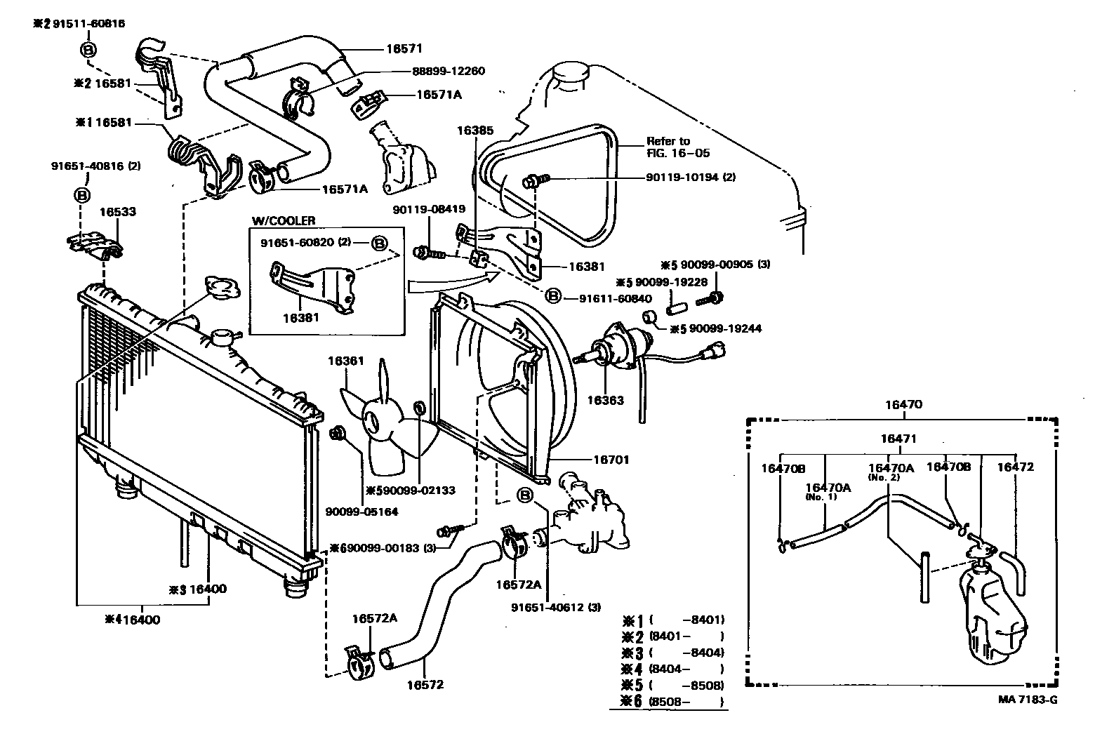
RADIATOR & WATER OUTLET

1605
16361FAN
MIDDLE EAST SPEC
16363MOTOR, COOLING FAN
MIDDLE EAST SPEC
16385SLIDER, FAN BELT ADJUSTING
16400RADIATOR ASSY
sub16400-15200
sub16400-14040
sub16400-15200
sub16400-14040
sub16400-15200
sub16400-63080
MIDDLE EAST SPEC
sub16400-64160
sub16400-14050
sub16400-14060
sub16400-15260
sub16400-63080
sub16400-63110
sub16400-64140
16470AHOSE OR PIPE(FOR RADIATOR RESERVE TANK)
L=1000(*H,L=220),NO.1,NO.2
L=1450(*H,L=480),NO.1
L=1000(*H,L=220),NO.2
16470BCLAMP OR CLIP(FOR RADIATOR RESERVE TANK HOSE)
16472HOSE, BREATHER
16571HOSE, RADIATOR, INLET
16571ACLAMP OR CLIP, HOSE(FOR RADIATOR INLET)
sub90467-34003
sub90467-33003
sub90467-34003
sub90467-34004
16572HOSE, RADIATOR, OUTLET
16572ACLAMP OR CLIP, HOSE(FOR RADIATOR OUTLET NO.1)
sub90467-34003
RADIATOR SIDE
sub90467-33003
WATER INLET SIDE
sub90467-34003
sub90467-34003
sub90467-34004
INLET SIDE
16581CLAMP, HOSE(FOR WATER HOSE)
16701SHROUD SUB-ASSY, FAN
MIDDLE EAST SPEC
8889912260COVER, EVAPORATOR
main88899-12260
9009900183
main90099-00183
9009900905
main90099-00905
9009902133
main90099-02133
9009905164
main90099-05164
9009919228
main90099-19228
9009919244
main90099-19244
9011908419
main90119-08419
9011910194
main90119-10194
9151160816
main91511-60816
9161160840
main91611-60840
9165140612
main91651-40612
9165140816
main91651-40816
9165160820
main91651-60820
32 parts on this diagram · 7 diagrams in section