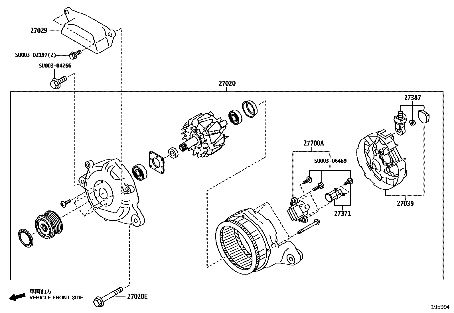
ALTERNATOR

27020ALTERNATOR ASSY
12V 150A
27020EBOLT(FOR ALTERNATOR)
27029COVER, ALTERNATOR
27039COVER, ALTERNATOR REAR END
27371BRUSH, ALTERNATOR
27387INSULATOR, TERMINAL
27700AREGULATOR ASSY, GENERATOR
SU00302197
mainSU003-02197
SU00304266
mainSU003-04266
SU00306469
mainSU003-06469
10 parts on this diagram · 1 diagram in section