E
EPC Data

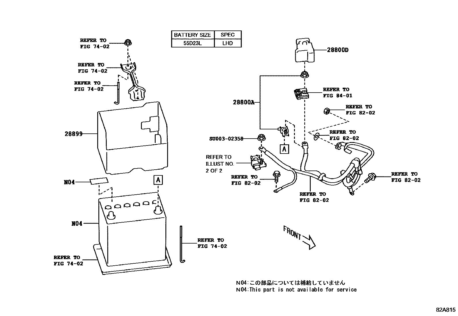
BATTERY & BATTERY CABLE

Parts diagram
28800ATERMINAL, BATTERY POSITIVE
mainSU00302355i201608-202104
mainSU00302356i201608-202104
28800DCOVER, CONNECTOR(FOR BATTERY TERMINAL)
mainSU00302359i201608-202104
28899INSULATOR, BATTERY
mainSU00302413i201608-202104
7402
8202
8401
SU00302358

7 parts on this diagram · 3 diagrams in section

BATTERY & BATTERY CABLE — Toyota Parts Diagram with OEM Numbers & Prices | EPC Data