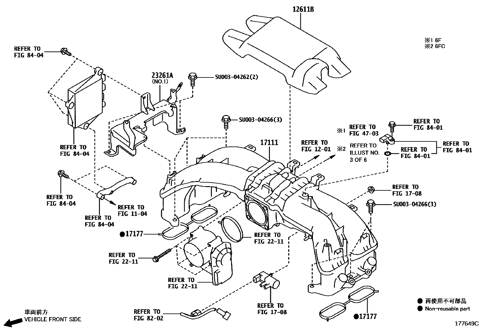
MANIFOLD

1104
1201
12611BCOVER, ENGINE, NO.1
1708
17111MANIFOLD, INTAKE
17177GASKET, INTAKE MANIFOLD TO HEAD, NO.1
2211
23261ACOVER, INJECTOR
NO.2
NO.1
4703
8202
8401
8404
SU00304262
SU00304266
14 parts on this diagram · 3 diagrams in section

14 parts on this diagram · 3 diagrams in section