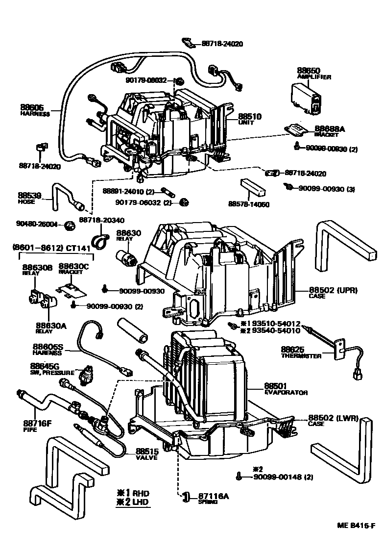
HEATING & AIR CONDITIONING - COOLER UNIT

87116ASPRING, HOLDING (FOR COOLER UNIT CASE)
88502CASE SUB-ASSY, COOLING UNIT
LWR
UPR
W/BOOST VENTILATOR,UPR
W/BOOST VENTILATOR,LWR
UPR
LWR
88510UNIT ASSY, COOLER
W/BOOST VENTILATOR
W/BOOST VENTILATOR
88515VALVE, COOLER EXPANSION
88539HOSE, COOLER UNIT DRAIN, NO.1
88605HARNESS SUB-ASSY, COOLER WIRING, NO.1
W/HEATER
W/BOOST VENTILATOR
W/BOOST VENTILATOR
88605SHARNESS SUB-ASSY, WIRING AIR CONDITIONER
88625THERMISTOR, COOLER, NO.1
sub88625-12070
88630RELAY ASSY, COOLER
88630ARELAY ASSY, COOLER
88630BRELAY ASSY, COOLER
88630CBRACKET, COOLER RELAY
88645GSWITCH, PRESSURE
88688ABRACKET, COOLER STABILIZER AMPLIFIER
88716FPIPE, COOLER REFRIGERANT LIQUID, F
8857814050PAKING, COOLER AIR DUCT
main88578-14050
8871820340PIPE, COOLER REFRIGERANT SUCTION, NO.2
main88718-20340
8871824020PIPE, COOLER REFRIGERANT SUCTION, NO.2
main88718-24020
8889124010PACKING (FOR COOLER)
main88891-24010
9009900148
main90099-00148
9009900930
main90099-00930
9017906032
9048026004
9351054012
9354054010
27 parts on this diagram · 1 diagram in section