E
EPC Data

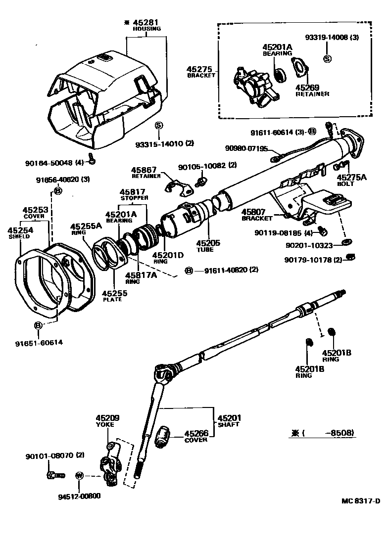
STEERING COLUMN & SHAFT

Parts diagram
45201SHAFT SUB-ASSY, STEERING MAIN
main45210-14020i¥21,300198201-198307
sub45210-14H00¥19,200
main45210-14021i¥26,500198307-198412
main45210-14050i¥27,900198201-198307
sub45210-14H01¥27,400
main45210-14051i¥24,100198307-198612
main45210-14080i¥14,100198201-199907
main45210-14130i¥23,900198307-198612
main45210-20130i¥29,200198212-198412
W/POWER STEERING
main45210-22050i¥14,100198201-199907
W/TILT STEERING
main45210-22050i¥14,100198304-198612
main45210-22050i¥14,100198504-198612
W/POWER STEERING
main45210-22050i¥14,100198212-198412
W/POWER & TILT STEERING
45201ABEARING(FOR STEERING MAIN SHAFT)
main90363-18001i¥2,480198201-198508
UPR,W/TILT STEERING
main90363-18001i¥2,480198612-199310
UPR,W/POWER STEERING
main90363-18001i¥2,480198504-198612
W/POWER STEERING,UPR
main90363-18001i¥2,480198304-198612
UPR
main90363-18001i¥2,480198304-198501
LWR
main90363-18038i¥660198201-199907
UPR
main90363-28001i¥2,550198201-198508
CTR,W/TILT STEERING
main90363-28001i¥2,550198304-198612
CTR
main90363-28001i¥2,550198504-198612
W/POWER STEERING,CTR
main90363-28001i¥2,550198612-199310
CTR,W/POWER STEERING
main90363-30007i¥2,660198201-198501
LWR
45201BRING, SHAFT SNAP(FOR STEERING MAIN SHAFT)
main90520-17042i¥120198201-199907
T=1.20,T=1.2
main90520-17196i¥210198201-199907
T=1.35-1.45,T=1.4
45201DRING(FOR STEERING MAIN SHAFT)
main96152-00300i¥80198201-198612
45205TUBE SUB-ASSY, STEERING COLUMN
main45870-14080i¥9,900198305-199310
W/TILT STEERING
main45870-14100i¥11,900198201-198612
main45870-14110i198201-198612
W/TILT STEERING
main45870-14110i198304-198612
main45870-14130i¥11,300198201-199907
45209YOKE SUB-ASSY, STEERING SLIDING
main45209-14010i198201-198307
sub45209-14060¥9,100
sub45209-32010¥8,600
main45209-14020i¥10,800198212-198612
W/POWER STEERING
main45209-14030i¥8,500198201-198307
main45209-32010i¥8,600198307-198612
sub45209-10020¥8,200
45253COVER, STEERING COLUMN HOLE
main45025-14100i¥3,890198201-198612
main45025-14110i¥3,740198201-198612
main45025-14130i¥3,610198201-199907
main45025-14140i¥3,610198201-199907
main45025-20090i¥4,000198201-198310
main45025-20100i198201-198310
45254SHIELD, STEERING COLUMN HOLE
main45254-20070i198201-198310
main45254-24011i¥890198201-199907
45255PLATE, STEERING COLUMN HOLE COVER
main45255-12020i¥320198201-199907
main45255-12030i¥660198201-198612
45255AGROMMET OR RING, O(FOR STEERING COLUMN CLAMP)
main90301-45202i¥430198201-199907
main90301-59001i¥620198201-198612
45266COVER, STEERING INTERMEDIATE SHAFT DUST
main45266-12020i¥550198201-198612
45269RETAINER, MAIN SHAFT BEARING
main45269-10010i¥480198201-199907
main45269-20010i¥460198209-198310
sub45269-35010¥480
45275BRACKET, STEERING COLUMN, UPPER
main45280-14010i¥16,200198201-198209
sub45280-14011¥16,500
main45280-14011i¥16,500198209-199907
main45280-14020i¥16,200198201-198209
W/TILT STEERING
sub45280-14021¥16,300
main45280-14021i¥16,300198209-198704
W/TILT STEERING
sub45280-14041¥17,200
main45280-14041i¥17,200198704-199907
W/TILT STEERING
main45280-24011i¥16,200198201-198209
W/TILT STEERING
sub45280-24012¥16,500
main45280-24012i¥16,500198504-198612
W/POWER STEERING
main45280-24012i¥16,500198209-198508
W/TILT STEERING
main45280-24012i¥16,500198304-198612
main45280-24030i¥16,200198201-198209
sub45280-24031¥16,500
main45280-24031i¥16,500198209-199907
main45280-30310i¥17,600198201-198310
sub45280-20560¥17,600
main45280-30320i¥14,600198201-198310
45275ABOLT, HEXAGON(FOR STEERING COLUMN BRACKET)
main45897-12030i¥650198201-199907
main45897-14010i¥600198208-198508
W/TILT STEERING
sub45897-12030¥650
main45897-30020i198201-199310
W/TILT STEERING
sub45897-14010¥600
45281HOUSING, STEERING COLUMN
main45286-14922-01i198201-199907
W/TILT STEERING,BLACK,BLACK
sub45286-14922¥4,140
main45286-14922-01i198304-198508
BLACK,BLACK
sub45286-14922¥4,140
main45286-14922-06i198304-198508
DARK BROWN,BROWN
sub45286-14922¥4,140
main45286-14922-06i198201-198508
W/TILT STEERING,DARK BROWN,BROWN
sub45286-14922¥4,140
main45286-14923-01i198201-198305
BLACK,BLACK
sub45286-14926¥4,890
main45286-14923-06i198201-198305
DARK BROWN,BROWN
sub45286-14926¥4,890
main45286-14924-01i198201-198305
W/TILT STEERING,BLACK,BLACK
sub45286-14925¥5,400
main45286-14924-06i198201-198305
W/TILT STEERING,DARK BROWN,BROWN
sub45286-14925¥5,400
main45286-14925-01i198305-199907
W/TILT STEERING,BLACK,BLACK
sub45286-14925¥5,400
main45286-14925-06i198305-198508
W/TILT STEERING,DARK BROWN,BROWN
sub45286-14925¥5,400
main45286-14926-01i198305-199907
BLACK,BLACK
sub45286-14926¥4,890
main45286-14926-06i198305-198508
DARK BROWN,BROWN
sub45286-14926¥4,890
main45286-20919-01i198201-198310
BLACK,BLACK
sub45286-20919¥4,770
main45286-20919-06i198201-198310
DARK BROWN,BROWN
sub45286-20919¥4,770
main45286-20920-01i198201-198310
BLACK,BLACK
main45286-20920-06i198201-198310
DARK BROWN,BROWN
main45286-20928-01i198601-199907
BLACK,BLACK
main45286-24900-01i198201-198508
BLACK,BLACK
sub45286-24900¥4,160
main45286-24900-06i198201-198508
DARK BROWN,BROWN
sub45286-24900¥4,160
45807BRACKET SUB-ASSY, STEERING COLUMN UPPER SUPPORT
main45807-14100i198201-199907
main45807-20110i198201-198310
main45807-20120i¥4,350198201-198310
main45807-24011i¥3,280198201-199907
45817STOPPER, STEERING SHAFT THRUST
main45808-12020i¥4,380198202-198501
sub45808-12030¥4,590
main45808-12030i¥4,590198501-198612
45817ARING, O(FOR STEERING SHAFT THRUST STOPPER)
main96711-24053i¥280198201-198612
45867RETAINER, STEERING MAIN SHAFT STOPPER
main45867-12010i¥670198202-198612
9010108070
main90101-08070¥180
9010510082
main90105-10082¥180
9011908185
main90119-08185¥130
9016450048
main90164-50048¥110
9017910178
main90179-10178¥170
9020110323
main90201-10323¥470
9098007195
main90980-07195¥1,550
9161140820
main91611-40820¥130
9161160614
main91611-60614¥180
9165160614
main91651-60614¥70
9165640620
main91656-40620¥120
9331514010
main93315-14010¥160
9331914008
main93319-14008¥80
9451200800
main94512-00800¥80

33 parts on this diagram · 4 diagrams in section

STEERING COLUMN & SHAFT — Toyota Parts Diagram with OEM Numbers & Prices | EPC Data