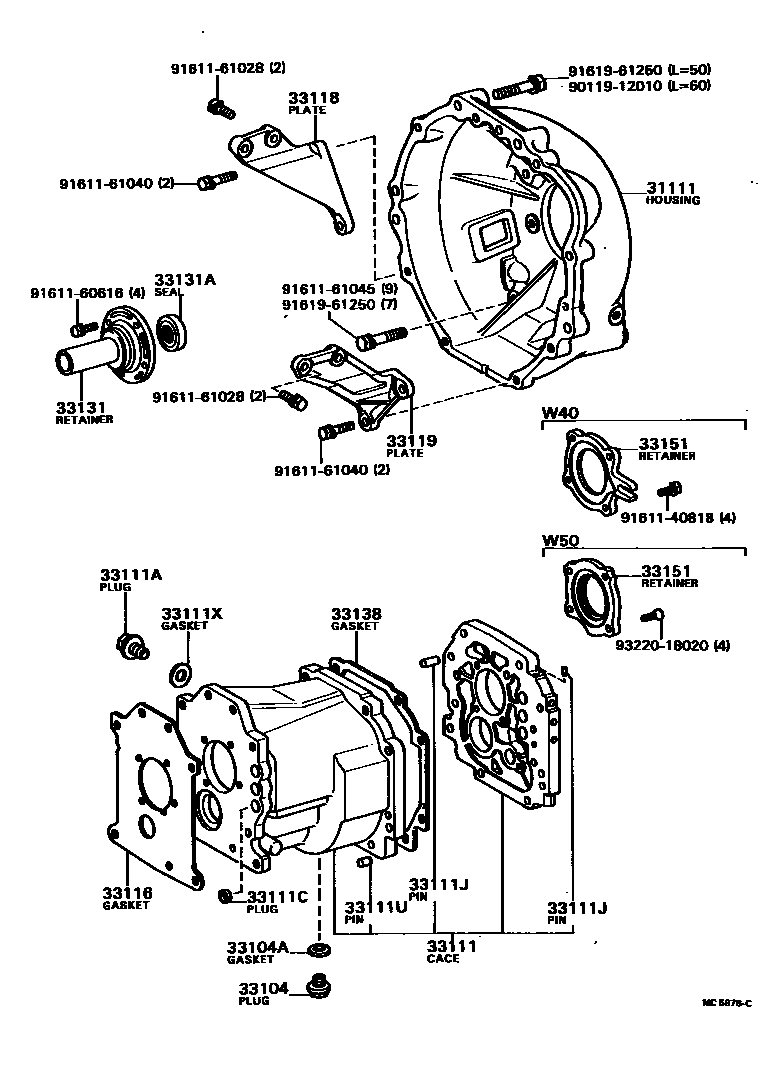
CLUTCH HOUSING & TRANSMISSION CASE (MTM)

33104PLUG SUB-ASSY, DRAIN(MTM)
33104AGASKET, DRAIN PLUG(MTM)
main90430-18007iTT132..LHD..4F;TT132..RHD..MTM;RT13#,TT133..MTM;TT132..(HT,LB)..LHD..5F¥210198008-198301
33111CASE, MANUAL TRANSMISSION
33111APLUG, MANUAL TRANSMISSION CASE
33111CPLUG(FOR TRANSMISSION CASE)
OD=14
33111JPIN, STRAIGHT(FOR MANUAL TRANSMISSION CASE)
L=16,OD=8
L=16,OD=12,L=16
L=17,OD=12,L=17
OD=12,L=39
OD=6,L=11
33111UPIN, RING(FOR MANUAL TRANSMISSION CASE)
L=12,OD=13
33111XGASKET, TRANSMISSION CASE PLUG
main90430-18007iTT132..LHD..4F;TT132..RHD..MTM;RT13#,TT133..MTM;TT132..(HT,LB)..LHD..5F¥210198008-198301
33116GASKET, MANUAL TRANSMISSION CASE
33118PLATE, STIFFENER, RH(MTM)
33119PLATE, STIFFENER, LH(MTM)
33131RETAINER, BEARING, FRONT(MTM)
33131ASEAL, OIL(FOR TRANSMISSION FRONT BEARING RETAINER)
33138GASKET, INTERMEDIATE PLATE
33151RETAINER, OUTPUT SHAFT REAR BEARING(MTM)
9011912010
9161140818
9161160616
9161161028
9161161040
9161161045
9161961250
9322018020
24 parts on this diagram · 5 diagrams in section