E
EPC Data

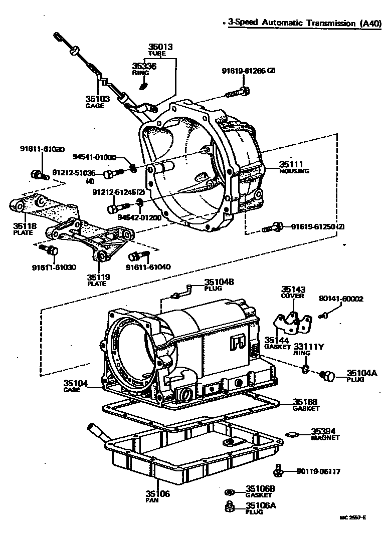
TRANSMISSION CASE & OIL PAN (ATM)

Parts diagram
33111YSEAL, OIL(FOR TRANSMISSION CASE)
35013TUBE SUB-ASSY, TRANSMISSION OIL FILLER
main35013-14091i¥1,880197801-197905
main35013-20050i197308-197801
35103GAGE SUB-ASSY, TRANSMISSION OIL LEVEL
main35103-14022i¥1,320197801-197905
sub35103-14023¥1,180
main35103-22030i¥1,190197308-197801
35104CASE SUB-ASSY, AUTOMATIC TRANSMISSION
main35104-22021i¥63,300197308-197705
sub35104-22022¥76,000
main35104-22022i¥76,000197705-197905
sub35104-22023¥72,500
35104APLUG, AUTOMATIC TRANSMISSION CASE
main90341-08079i197308-197905
35104BPLUG, BREATHER, NO.1 (ATM)
main90930-03061i¥530197308-197905
sub90930-03069¥540
35106PAN SUB-ASSY, AUTOMATIC TRANSMISSION OIL
main35106-22020i¥5,000197308-197905
sub35106-22021¥4,950
35106APLUG SUB-ASSY, DRAIN (ATM)
main90341-10078i¥240197308-197905
sub90341-10003¥260
sub35178-30010¥190
35106BGASKET, DRAIN PLUG (ATM)
main90202-10110i¥210197308-197905
35111HOUSING, AUTOMATIC TRANSMISSION
main35111-22020i197308-197311
sub35111-22030¥27,300
sub90461-08041¥580
sub91651-40610¥160
main35111-22030i¥27,300197311-197905
35118PLATE, STIFENER, RH (ATM)
main33118-20050i¥2,440197308-197408
sub33118-22030¥2,650
main33118-22030i¥2,650197408-197905
35119PLATE, STIFENER, LH (ATM)
main33119-20050i¥2,350197308-197408
sub33119-22020¥2,350
sub91611-61030¥240
main33119-22020i¥2,350197408-197807
sub33119-22021¥2,550
main33119-22021i¥2,550197807-197905
sub33119-22022¥2,520
35143COVER, TRANSMISSION CASE, REAR
main35143-22010i¥520197308-197905
35144GASKET, TRANSMISSION CASE REAR COVER
main35144-22010i¥330197308-197905
sub35144-28010¥220
35168GASKET, AUTOMATIC TRANSMISSION OIL PAN
main35168-22010i¥680197308-197905
sub35168-22011¥520
35336RING, O (FOR TRANSMISSION OIL FILLER TUBE)
main90301-09173i¥140197308-197905
35394MAGNET, OIL CLEANER (FOR TRANSMISSION)
main35394-30010i¥410197308-197408
sub35394-30011¥360
main35394-30011i¥360197408-197905
9011906117
main90119-06117¥220
9014160002
main90141-60002¥160
9121251035
main91212-51035¥170
9121251245
main91212-51245¥240
9161161030
main91611-61030¥240
9161161040
main91611-61040¥130
9161961250
main91619-61250¥140
9161961265
main91619-61265¥230
9454101000
main94541-01000¥170
9454201200
main94542-01200¥70

27 parts on this diagram · 1 diagram in section

TRANSMISSION CASE & OIL PAN (ATM) — Toyota Parts Diagram with OEM Numbers & Prices | EPC Data